Curiosii for ever!
: Car repair manuals for everyone.
Home
>>
Chevrolet
>>
1996
>>
Cavalier L4-2.2L VIN 4
>>
Repair and Diagnosis
>>
Diagrams
>>
Components
>>
Miscellaneous Components
>>
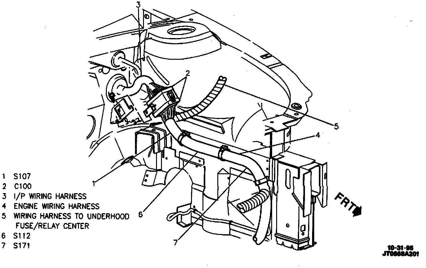
I/P Wiring Harness
I/P Wiring Harness
LH Side Of Engine Compartment: