Curiosii for ever!: Car repair manuals for everyone.

Starter Motor: Service and Repair

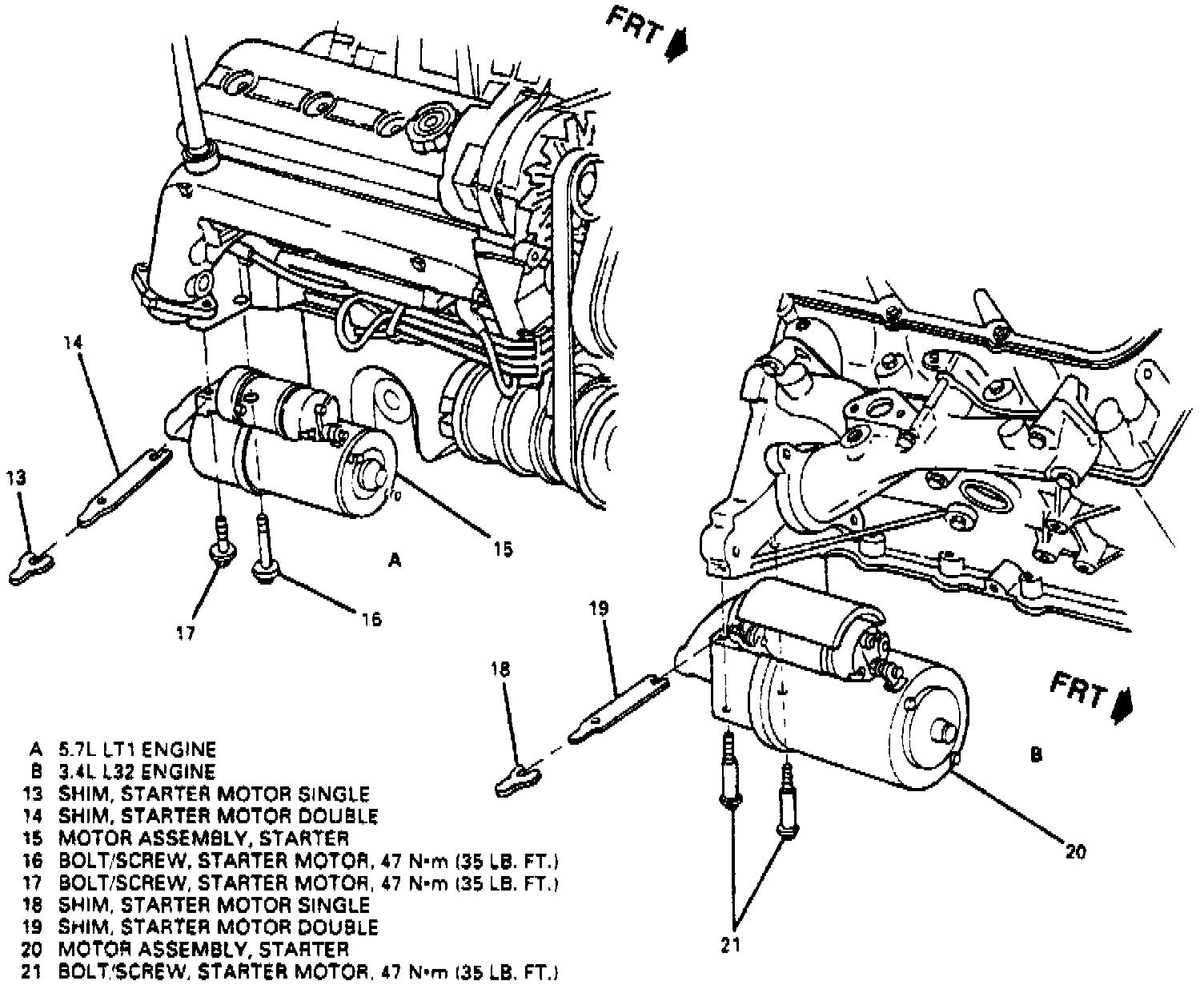
Fig. 1 Starter Motor Replacement:




Fig. 2 Flywheel Assembly To Pinion Clearance Inspection:






This vehicle was designed for starter mounting without
shims. If single or double shims have been added to correct a noise or engagement problem, they should be reinstalled in their original positions to ensure proper pinion to flywheel assembly engagement.


REMOVAL
1. Disconnect battery ground cable, then raise and support vehicle.
2. Disconnect exhaust crossover pipe at manifolds.
3. Remove starter shield.
4. Remove starter motor mounting bolts and lower starter motor assembly, Fig. 1.
5. Disconnect electrical connectors from starter motor assembly, then remove starter motor assembly.

INSTALLATION
Before connecting electrical connectors, tighten inner nuts on the solenoid terminals. If the nuts are not tight, the solenoid cap may be damaged during installation of connectors. Torque inner nut of BAT terminal to 80 inch lbs.
1. Connect electrical connectors to starter motor assembly, then torqueBAT terminal nut to 85 inch lbs. and S terminal nut to 25 inch lbs.
2. Install starter motor assembly and torque mounting bolts to 40 ft. lbs.
3. Measure pinion to flywheel clearance, Fig. 2, adding shims if necessary.
4. Install starter shield.
5. Connect exhaust crossover pipe to manifolds, then lower vehicle and connect battery ground cable.