Curiosii for ever!: Car repair manuals for everyone.

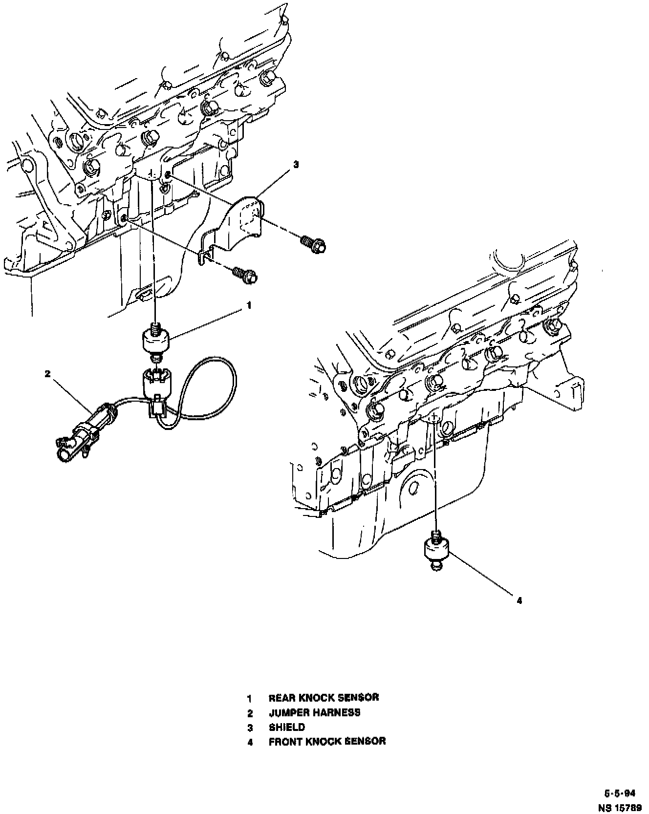
Knock Sensor (KS)

Knock Sensors:






REMOVE OR DISCONNECT
1. Negative battery cable.
2. Raise vehicle.
3. Drain cooling system.
4. Remove knock sensor heat shield mounting bolt located under freeze plug (or block heater if equipped).
5. Knock sensor wiring harness connector from knock sensor.

WARNING: Engine coolant may be hot. Although cooling system has been drained, coolant still remains in engine water jacket. This coolant will drain when knock sensor is removed.

6. Knock sensor from engine block.

INSTALL OR CONNECT

CAUTION: Do Not apply thread sealant to sensor threads. Sensor is coated at factory and applying additional sealant will affect the sensor's ability to detect detonation.

1. Knock sensor into engine block. Tighten Knock sensor to 19 Nm (14 ft lb).
2. Knock sensor heat shield mounting bolt located under freeze plug (or block heater if equipped).
3. Knock sensor wiring harness connector to the knock sensor
4. Lower vehicle.
5. Fill cooling system.