Curiosii for ever!: Car repair manuals for everyone.

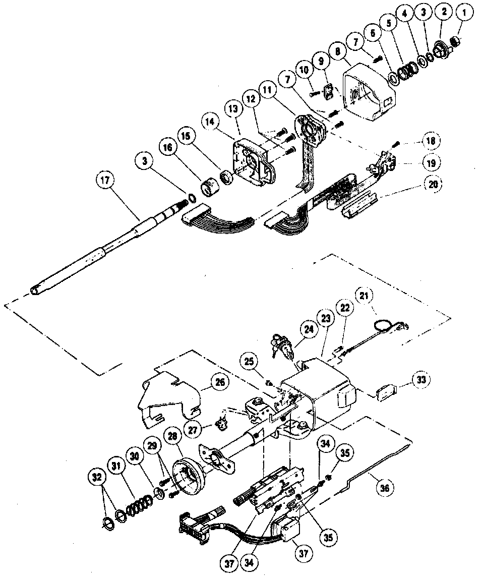
Standard Column

Exploded View Of Standard Steering Column:






1-NUT, HEXAGON JAM (M14X1.5)
2-CAM ASM, SPACER & CANCELLING
3-RING, RETAINING
4-WASHER, THRUST
5-SPRING, UPPER BEARING
6-WASHER, THRUST
7-SCREW, PAN HD 6-LOBED SOC TAP
8-COVER, COLUMN HOUSING
9-KNOB, HAZARD WARNING
10-SCREW, OV HD C/REC (M3.5X1.27)
11-SWITCH ASM, TURN SIGNAL
12-SCREW, PAN HD 6-LOBED SOC TAP
13-HOUSING ASM. STRG COLUMN
14-HOUSING, STEERING COLUMN
15-BEARING ASM
16-SPACER, STRG COLUMN HOUSING
17-SHAFT ASM, STEERING
18-SCR, OVL HD 6-LOBED SOC TAP
19-SWITCH ASM, PIVOT & PULSE
20-PROTECTOR, WIRING
21-SWITCH ASM, BUZZER
22-SCREW, LOCK RETAINING
23-8OWL ASM. JACKET &
24-LOCK CYL SET, STRG COLUMN
25-SCREW, HEX WASHER HD TAPPING
26-SHIELD, BOWL
27-ADJUSTER ASM, PRNDL
28-BEARING ASM, ADAPTER &
29-SCREW, HEX WASHER HD TAPPING
30-SEAT, LOWER BEARING
31-SPRING, LOWER BEARING
32-RETAINER, LOWER SPRING
33-CAP, DIMMER SWITCH ROD
34-STUD DIMR & IGN SW MOUNTING
35-NUT, HEXAGON (#10-24)
36-ROD, DIMMER SW ACTUATOR
37-SWITCH ASM. COLUMN LOCK & IGN