Curiosii for ever!: Car repair manuals for everyone.

Without Air Conditioning

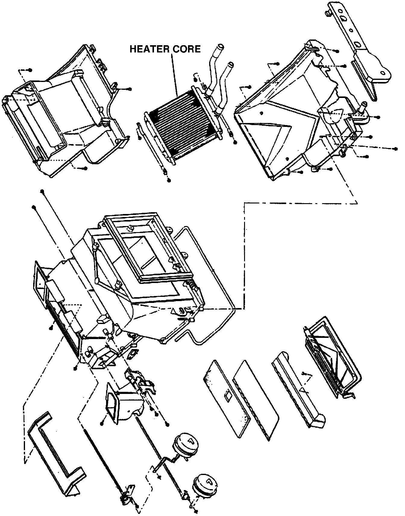
Heater Module:






REMOVE OR DISCONNECT
1. Negative battery cable and drain cooling system.
2. Raise vehicle and remove drain tube from heater case.
3. Heater hoses from heater core and lower vehicle.
4. Right and left sound insulators and steering column opening filler.
5. Floor air outlet duct and heater core cover.
6. Heater core mounting clamps and remove heater core.

INSTALL OR CONNECT
1. Heater core and heater core mounting clamps.
2. Heater core cover and floor air outlet duct.
3. Right and left sound insulators and steering column opening filler.
4. Raise vehicle and connect heater hoses to heater core.
5. Drain tube to heater case and lower vehicle.
6. Negative battery cable and fill cooling system.
7. Check for leaks.