Curiosii for ever!: Car repair manuals for everyone.

Crankshaft Position Sensor: Description and Operation

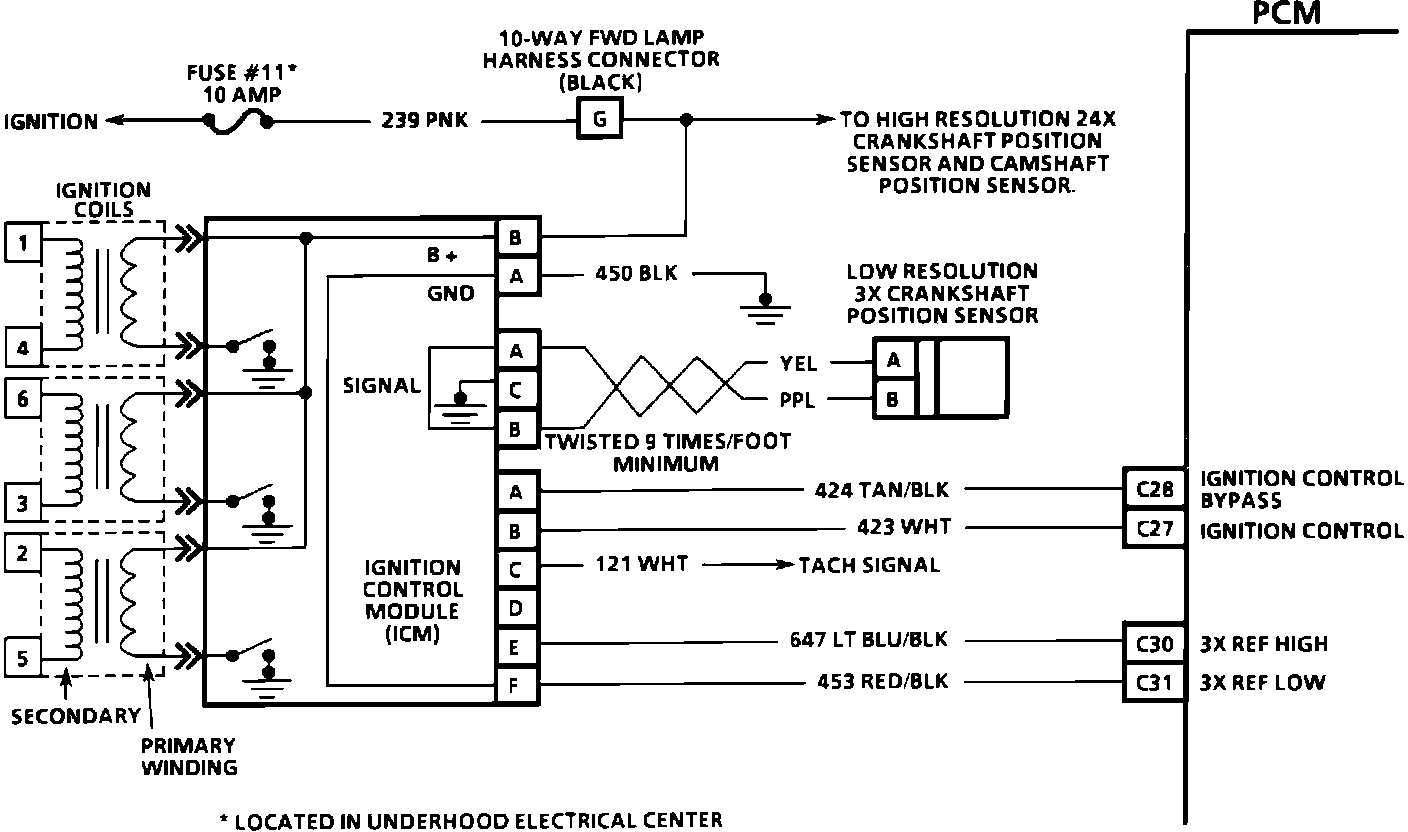
Ignition Control Timing Circuit:





Purpose
The Crankshaft position sensor provides the PCM with a signal to calculate RPM and crankshaft position.

Operation

3X Crankshaft Position Sensor - uses a concentric interrupter ring mounted to the rear of the crankshaft balancer has blades and windows that, with crankshaft rotation, either block the magnetic field or allow it to reach the "Hall-effect" switch.

The Hall-effect switch located closest to the crankshaft, is the 3X crankshaft position sensor. The interrupter ring has a special wheel cast on the crankshaft that has seven machined slots, six of which are equally spaced 60° apart. The seventh slot is 10° from one of the other slots.

As the ring rotates with the crankshaft, the slots change the magnetic field. This will cause the 3X "Hall-effect" switch to ground the 3X signal voltage supplied from the ignition control module. The ignition control module interprets the 3X "ON-OFF" signals as an indication of crankshaft position. The control module must receive the 3X signal to "fire" the correct ignition coil.

24X Crankshaft Position Sensor - uses the 24 evenly spaced blades and windows on the interrupter ring. The Hall-effect switch produces 24 "ON-OFF" pulses per crankshaft revolution.

The 24X crankshaft position sensor "Hall-effect" switch reacts the same as the 3X "Hall-effect" switch. The 24X signal is used for better resolution at a calibrated RPM.

Location
The 24X crankshaft position sensor is secured in an aluminum mounting bracket and bolted to the front side of the engine timing chain cover.

The 3X crankshaft position sensor is mounted to the lower right side of engine block.