Curiosii for ever!: Car repair manuals for everyone.

EGR Control Solenoid: Service and Repair

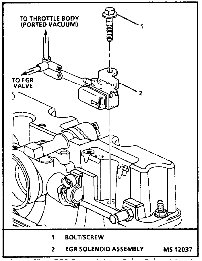
EGR Control Valve Relay Solenoid And Vacuum Harness Assembly:






REMOVE OR DISCONNECT
- Negative battery cable.
- MAP sensor.
- Electrical connector at solenoid.
- Screw and solenoid.

INSTALL OR CONNECT
- Solenoid and bracket. Tighten to 30 Nm (2 ft lb).
- Vacuum hoses.
- Electrical connector.
- Position MAP sensor seal (lubricated with a thin film of oil) into manifold assembly halfway, insert MAP sensor nipple into seal, seat sensor fully into seal and onto mounting surface.
- MAP sensor screws. Tighten to 3 Nm (27 in lb).
- Negative battery cable.