Curiosii for ever!: Car repair manuals for everyone.

Manifold Pressure/Vacuum Sensor: Service and Repair

Upper And Lower Intake Manifold Assemblies:







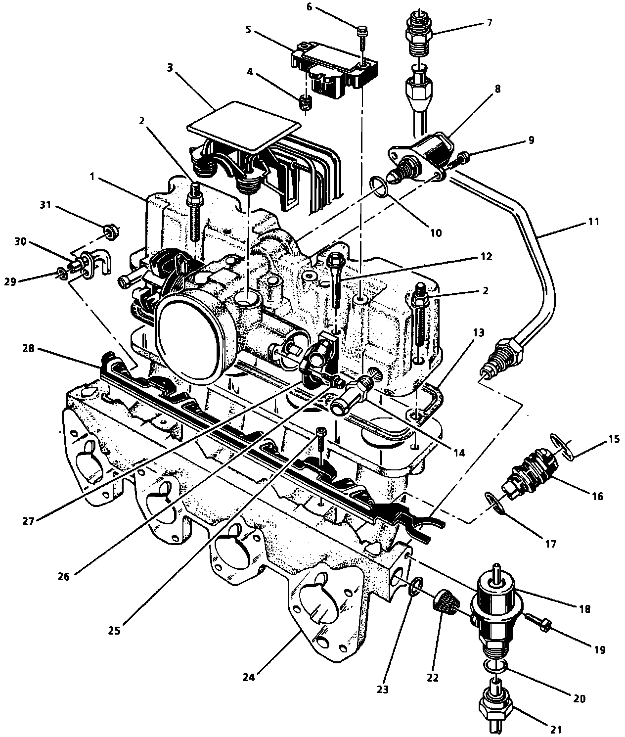
MANIFOLD ABSOLUTE PRESURE SENSOR (MAP)
- Negative battery cable.
- Sensor electrical connector.
- Attaching screws (#6).
- Sensor (#5).

INSTALL OR CONNECT
- Position seal (#4)(lubricate with a very thin film of clean engine oil) into manifold assembly halfway, insert MAP sensor nipple into seal, seat sensor fully into seal and onto mounting surface.
- MAP sensor screws, tighten screws to 3 Nm (27 in lb).
- Negative battery cable.
- Sensor electrical connector.