Curiosii for ever!: Car repair manuals for everyone.

Pictorial Views

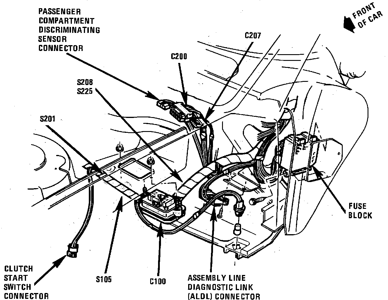
ALDL Connector:






ALDL CONNECTOR

Engine Wiring:







1 = IAC SWITCH
2 = MAP SENSOR
3 = MAP SENSOR CONNECTOR
4 = EGR SOLENOID LEAD
5 = THROTTLE POSITION SENSOR CONNECTOR



Engine Wiring:







1 = CRUISE CONTROL
2 = WINDSHIELD WIPER CONNECTOR
3 = WINDSHIELD WASHER CONNECTOR
4 = FRONT LAMP HARNESS
5 = ABS SOLENOID
6 = BRAKE FLUID LEVEL SWITCH
7 = MAT SENSOR
8 = ABS MOTOR PACK CONNECTORS



Engine Wiring:







1 = BLOWER MOTOR
2 = A/C COMPRESSOR RELAY
3 = ENGINE COMPRESSOR RELAY
4 = FUEL PUMP RELAY
5 = MULTI-USE RELAY BRACKET
6 = ENGINE HARNESS
7 = ELECTRIC BRAKE CONTROL RELAY
8 = ABS MODULE ASM.
9 = BLOWER MOTOR RESISTOR
10 = FUEL PUMP FUSE
11 = ELECTRICAL JUNCTION BLOCK
12 = RIGHT FRONT ABS LEAD
13 = FRONT SIR LEAD



Engine Wiring:







1 = IGNITION WIRE HARNESS
2 = COOLANT TEMPERATURE SWITCH/SENSOR
3 = ABS SENSOR LEAD
4 = COOLANT FAN LEAD
5 = TCC SWITCH (W/AUTO TRANS.)
6 = ENGINE GROUND LEAD
7 = OXYGEN SENSOR LEAD
8 = OIL PRESSURE SWITCH
9 = CRANK POSITION SENSOR
10 = VEHICLE SPEED SENSOR (W/AUTO TRANS.)
11 = ELECTRONIC COIL AND MODULE ASM.
12 = NEUTRAL SAFETY/BACK-UP LAMP SWITCH (W/AUTO TRANS.)
13 = VEHICLE SPEED SENSOR (W/MANUAL TRANS.)
14 = BACK-UP LAMP SWITCH (W/AUTO TRANS.)



Engine Wiring:







1 = A/C PRESSURE SWITCH CONNECTOR
2 = GENERATOR CONNECTOR
3 = POSITIVE GENERATOR LEAD
4 = OXYGEN SENSOR
5 = ENGINE HARNESS
6 = A/C COMPRESSOR
7 = A/C COMPRESSOR CLUTCH CONNECTOR
8 = GROUND CONNECTION
9 = STARTER SOLENOID
10 = FUSIBLE LINKS