Electronic/Powertrain Control Module (ECM/PCM)
ECM Wiring Diagram:
C20 = DIAGNOSTIC TEST
C11 = ECM GROUND
D15 = OXYGEN SENSOR REFERENCE LOW
D16 = SERIAL DATA
D21 = OXYGEN SENSOR SIGNAL
C19 = MAP SIGNAL
D8 = +5 VOLT REFERENCE
C13 = A/C PRESSURE SENSOR SIGNAL
C16 = SENSOR GROUND
C14 = IAT SIGNAL
D3 = +5 VOLT REFERENCE
C18 = TP SIGNAL
C22 = SENSOR GROUND
C12 = ECT SIGNAL
ECM Wiring Diagram:
D2 = IGNITION FEED
D4 = KEEP ALIVE MEMORY (B+)
C8 = FUEL PUMP RELAY CONTROL
C7 = INJECTOR DRIVER
C1 = PEAK AND HOLD JUMPER
C5 = PEAK AND HOLD JUMPER
D14 = LOW REFERENCE
D19 = HIGH REFERENCE
D13 = BYPASS
D18 = IGNITION CONTROL
ECM Wiring Diagram:
D17 = MIL (SERVICE ENGINE SOON) CONTROL
D10 = TCC CONTROL
D6 = EGR CONTROL
C3 = IAC COIL "A" HIGH
C9 = IAC COIL "A" LOW
C10 = IAC COIL "B" HIGH
C4 = IAC COIL "B" LOW
C15 = VSS SIGNAL (LOW)
C21 = VSS SIGNAL (HIGH)
D22 = VEHICLE SPEED OUTPUT SIGNAL (4000 RPM)
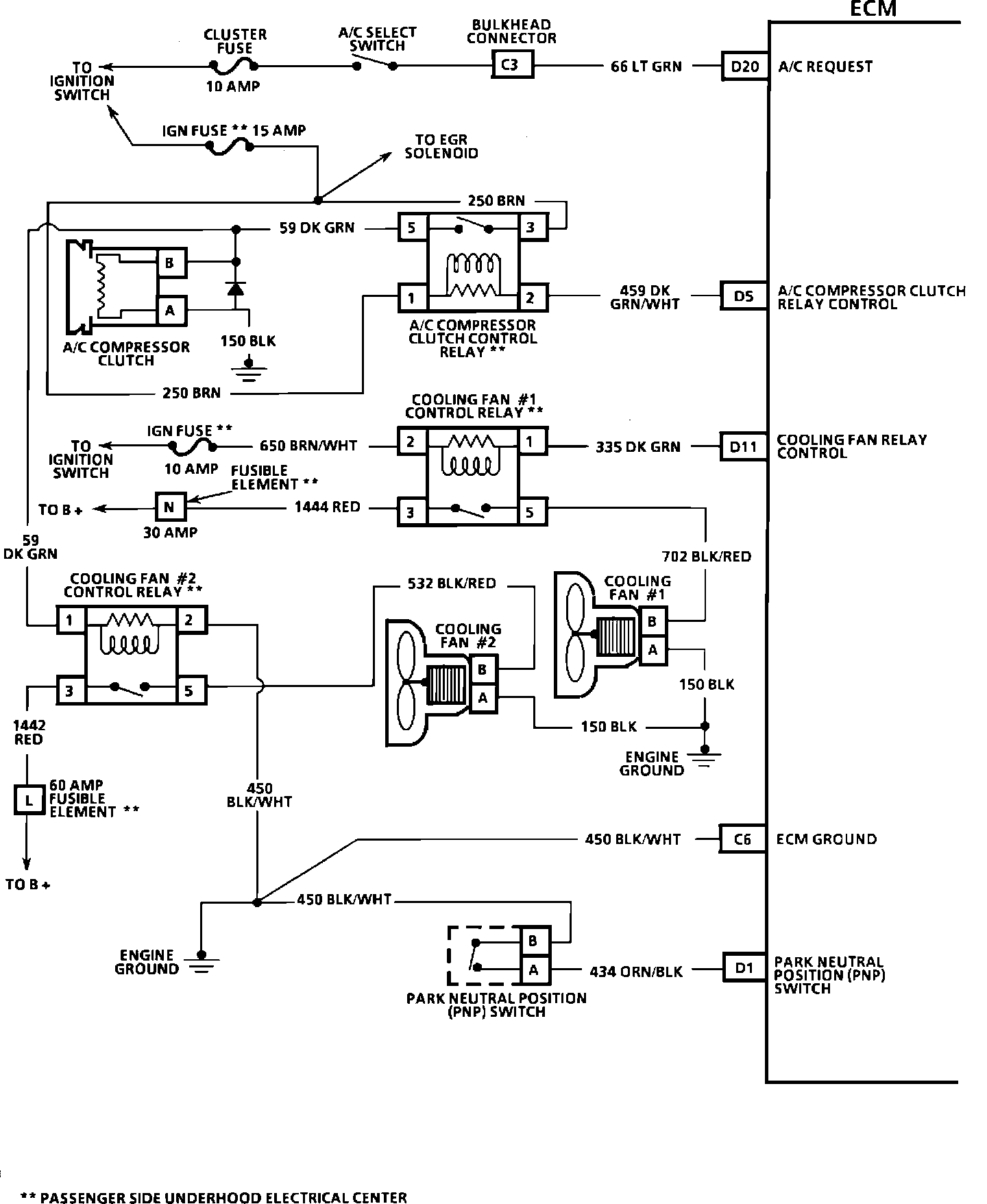
ECM Wiring Diagram:
D20 = A/C REQUEST
D5 = A/C COMPRESSOR CLUTCH RELAY CONTROL
D11 = COOLING FAN RELAY CONTROL
C6 = ECM GROUND
D1 = PARK/NEUTRAL POSITION SWITCH