Curiosii for ever!: Car repair manuals for everyone.

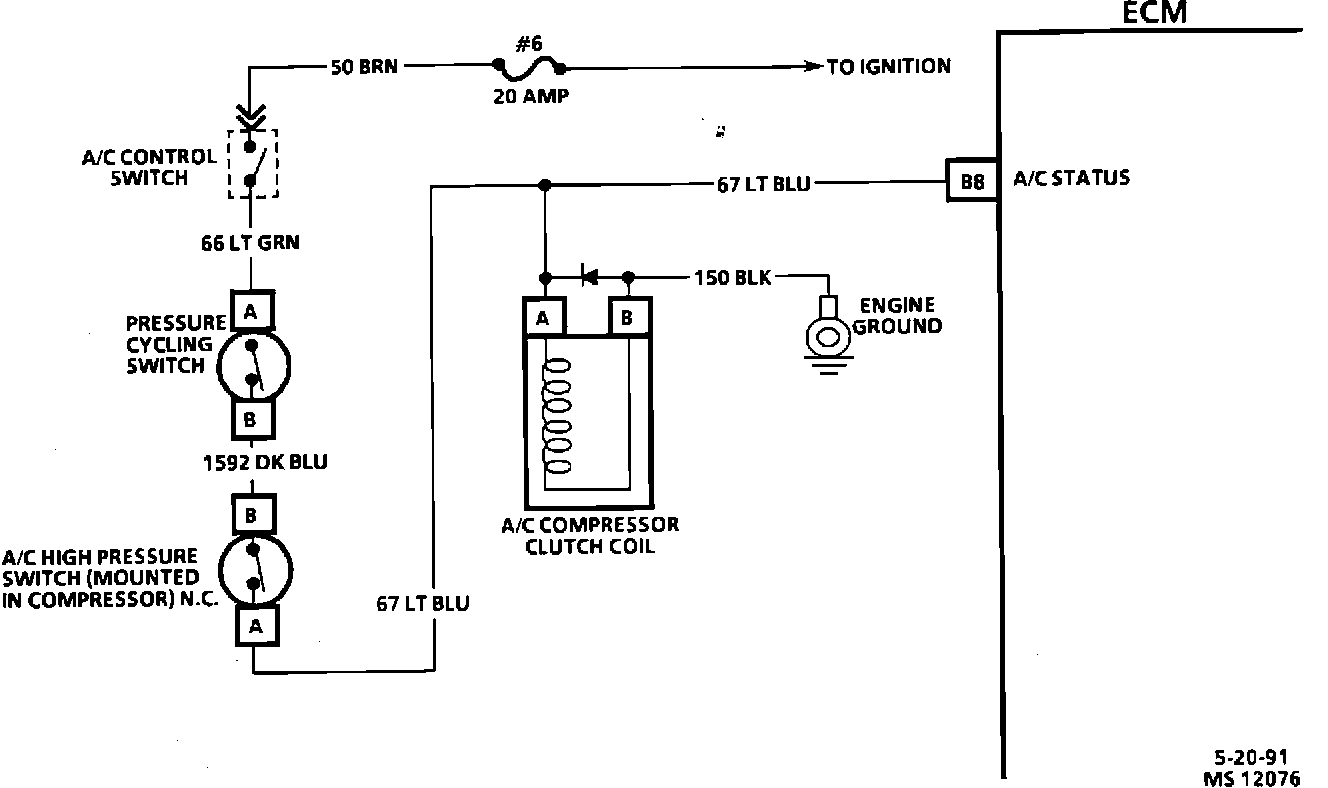
A/C Signal: Description and Operation

A/C Status Circuit:






This signal indicates that the A/C control switch is turned "ON" and the pressure switch is closed. The computer uses this signal to adjust the idle speed, and on some models engages the A/C compressor clutch.