Curiosii for ever!
: Car repair manuals for everyone.
Home
>>
Chevrolet
>>
1993
>>
Camaro V8-350 5.7L
>>
Repair and Diagnosis
>>
Starting and Charging
>>
Charging System
>>
Alternator
>>
Service and Repair
>>
Alternator Replacement
Alternator Replacement
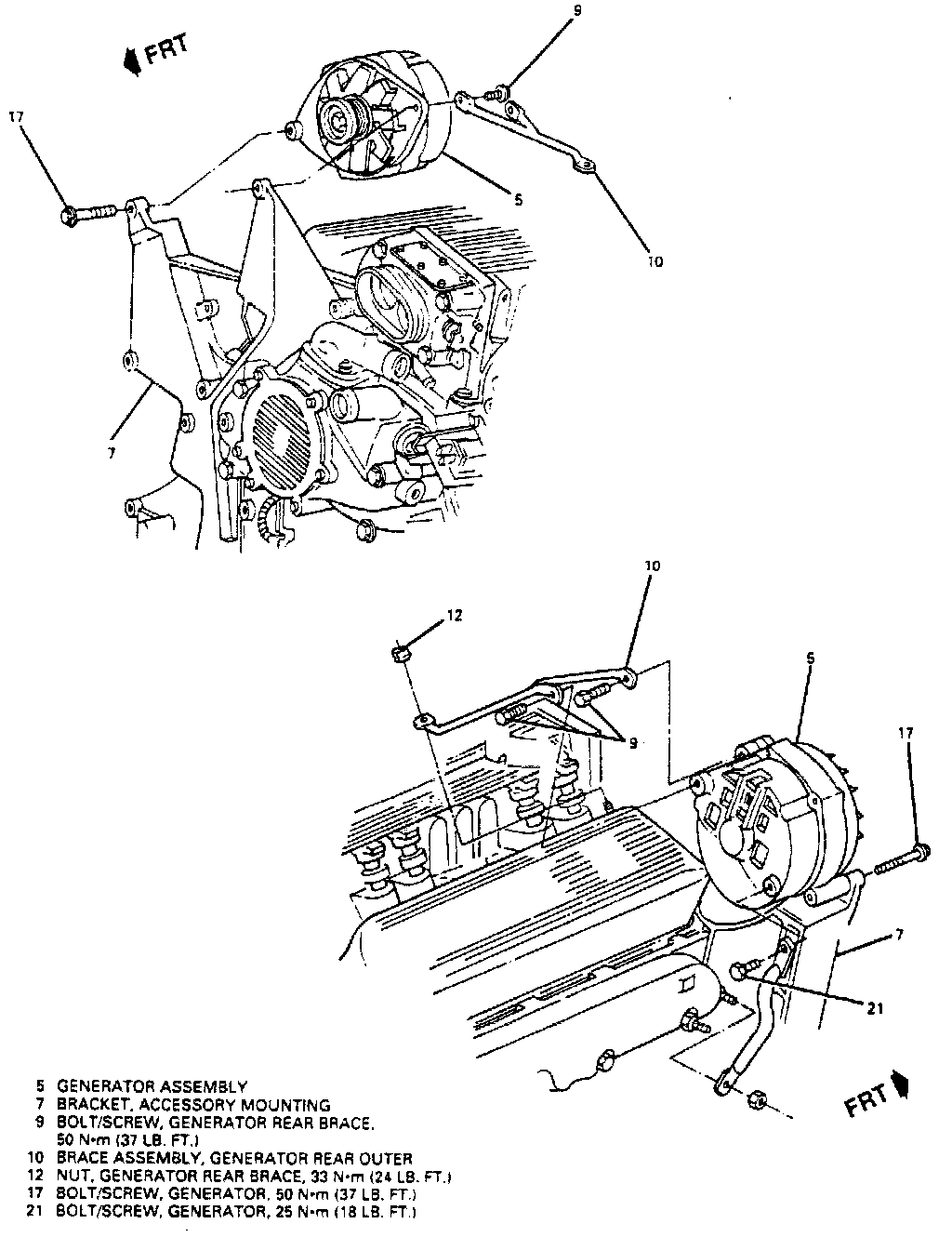
Fig. 9 - Alternator Replacement:
Disconnect battery ground cable. Refer to
Fig. 9
for
alternator
replacement.