Curiosii for ever!
: Car repair manuals for everyone.
Home
>>
Chevrolet
>>
1993
>>
Camaro V8-350 5.7L
>>
Repair and Diagnosis
>>
Restraints and Safety Systems
>>
Relays and Modules - Restraints and Safety Systems
>>
Air Bag Control Module
>>
Locations
Air Bag Control Module: Locations
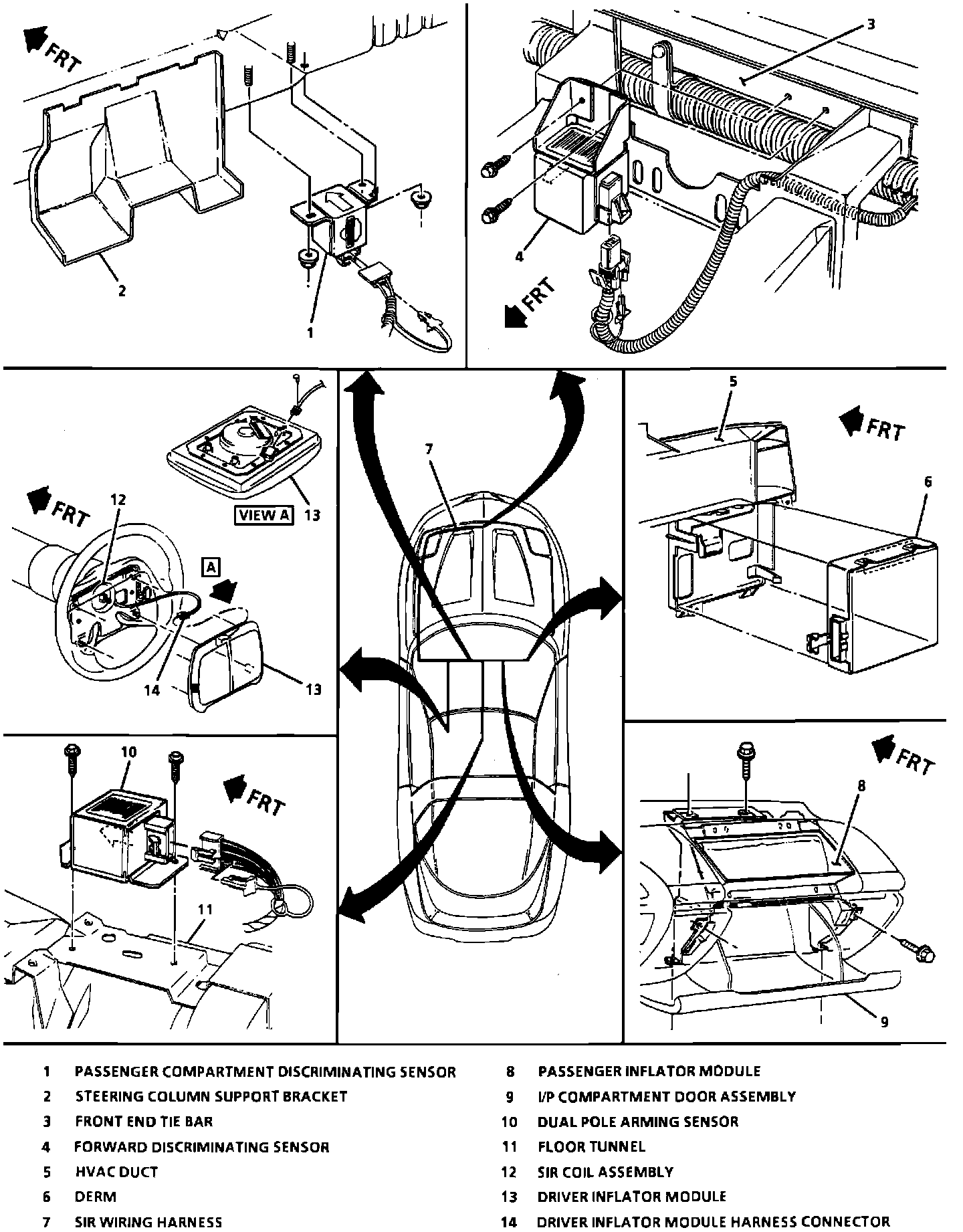
Fig. 53 SIR System Component Locations: