Curiosii for ever!
: Car repair manuals for everyone.
Home
>>
Chevrolet
>>
1993
>>
Camaro V8-350 5.7L
>>
Repair and Diagnosis
>>
Heating and Air Conditioning
>>
Diagrams
>>
Electrical Diagrams
>>
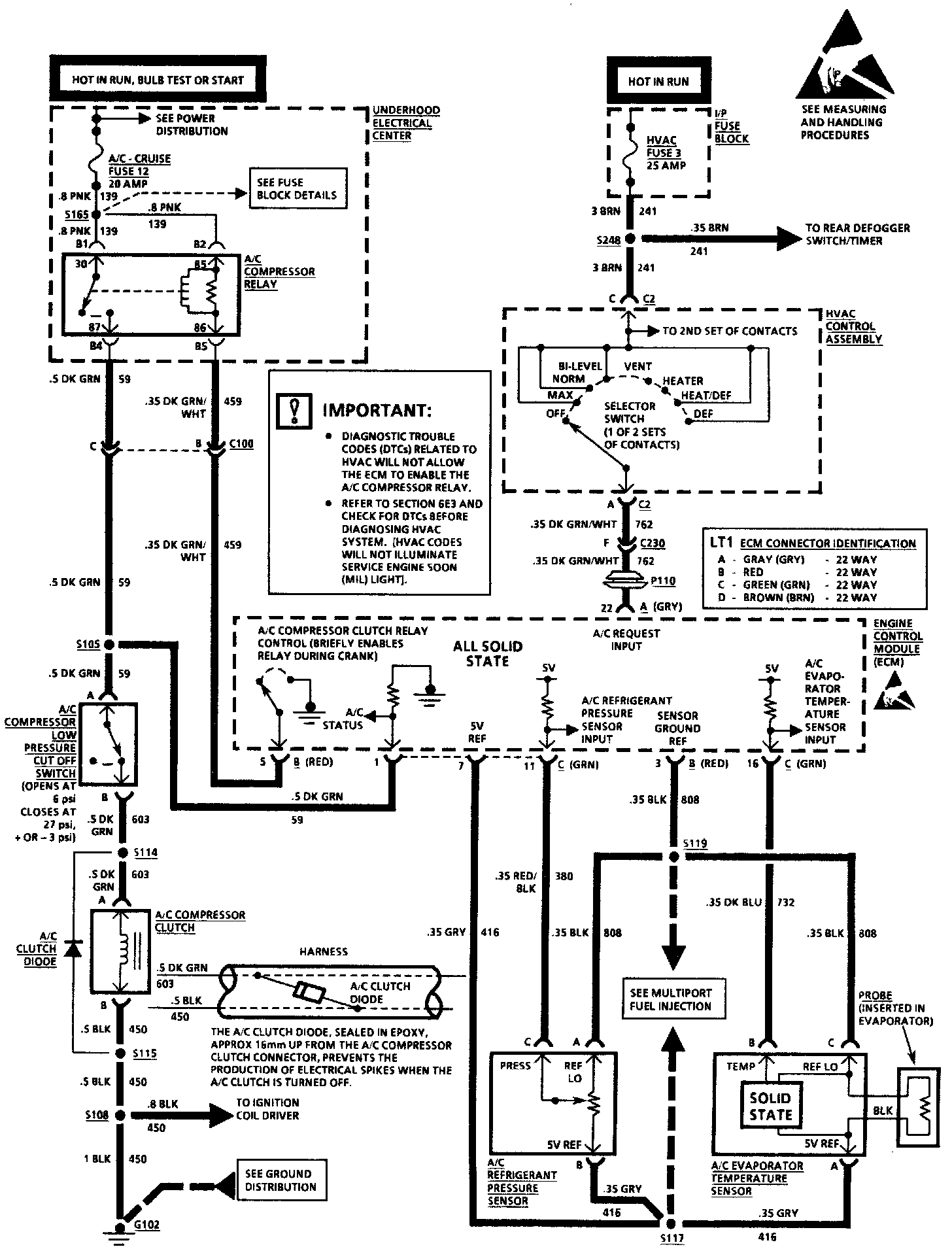
Compressor Controls
Compressor Controls
HVAC Compressor Control: V8 VIN P: