Curiosii for ever!: Car repair manuals for everyone.

Electronic/Powertrain Control Module (ECM/PCM)

ECM Wiring Diagram:






B2 TORQUE CONVERTER CLUTCH CONTROL (TCC A/T ONLY)
D20 DIAGNOSTIC ENABLE
B6 ECM GROUND
B17 ECM GROUND
D4 SERIAL DATA
C6 BATTERY FEED
C17 BATTERY FEED
A13 ENGINE COOLANT TEMPERATURE SENSOR SIGNAL
B18 ECT AND TP SENSOR GROUND
C3 THROTTLE POSITION SENSOR SIGNAL
C2 +5 VOLT REFERENCE
C16 A/C EVAPORATOR TEMPERATURE SENSOR SIGNAL
C7 +5 VOLT REFERENCE
C21 MAP SIGNAL
B3 MAP, IAT, A/C REFRIGERANT PRESSURE AND A/C EVAPORATOR TEMPERATURE SENSOR GROUND
C22 INTAKE AIR TEMPERATURE SENSOR SIGNAL
C11 A/C REFRIGERANT PRESSURE SENSOR SIGNAL



ECM Wiring Diagram:






B2 TORQUE CONVERTER CLUTCH CONTROL (TCC A/T ONLY)
B14 4th GEAR SIGNAL
B19 3rd GEAR SIGNAL
B20 2nd GEAR SIGNAL
A6 MIL (SERVICE ENGINE SOON) CONTROL
B1 REVERSE LOCKOUT SOLENOID CONTROL (M/T ONLY)
A1 EVAP CANISTER PURGE SOLENOID
A2 EXHAUST GAS RECIRCULATION (EGR) SOLENOID VALVE CONTROL
A8 SECONDARY AIR INJECTION PUMP RELAY CONTROL
A5 IAC COIL "B" LOW
A11 IAC COIL "B" HIGH
A10 IAC COIL "A" LOW
A4 IAC COIL "A" HIGH



ECM Wiring Diagram:






D6 BANK 1 (LEFT) OXYGEN SENSOR SIGNAL
D16 OXYGEN SENSOR GROUND
D22 BANK 2 (RIGHT) OXYGEN SENSOR SIGNAL
A21 PARK NEUTRAL POSITION SIGNAL (A/T ONLY)
D12 VEHICLE SPEED SENSOR SIGNAL
D1 VEHICLE SPEED SENSOR GROUND
D8 VSS OUTPUT (4000 PULSE PER MILE)
C8 KNOCK SENSOR SIGNAL
A19 PASS KEY II SIGNAL (FUEL ENABLE)



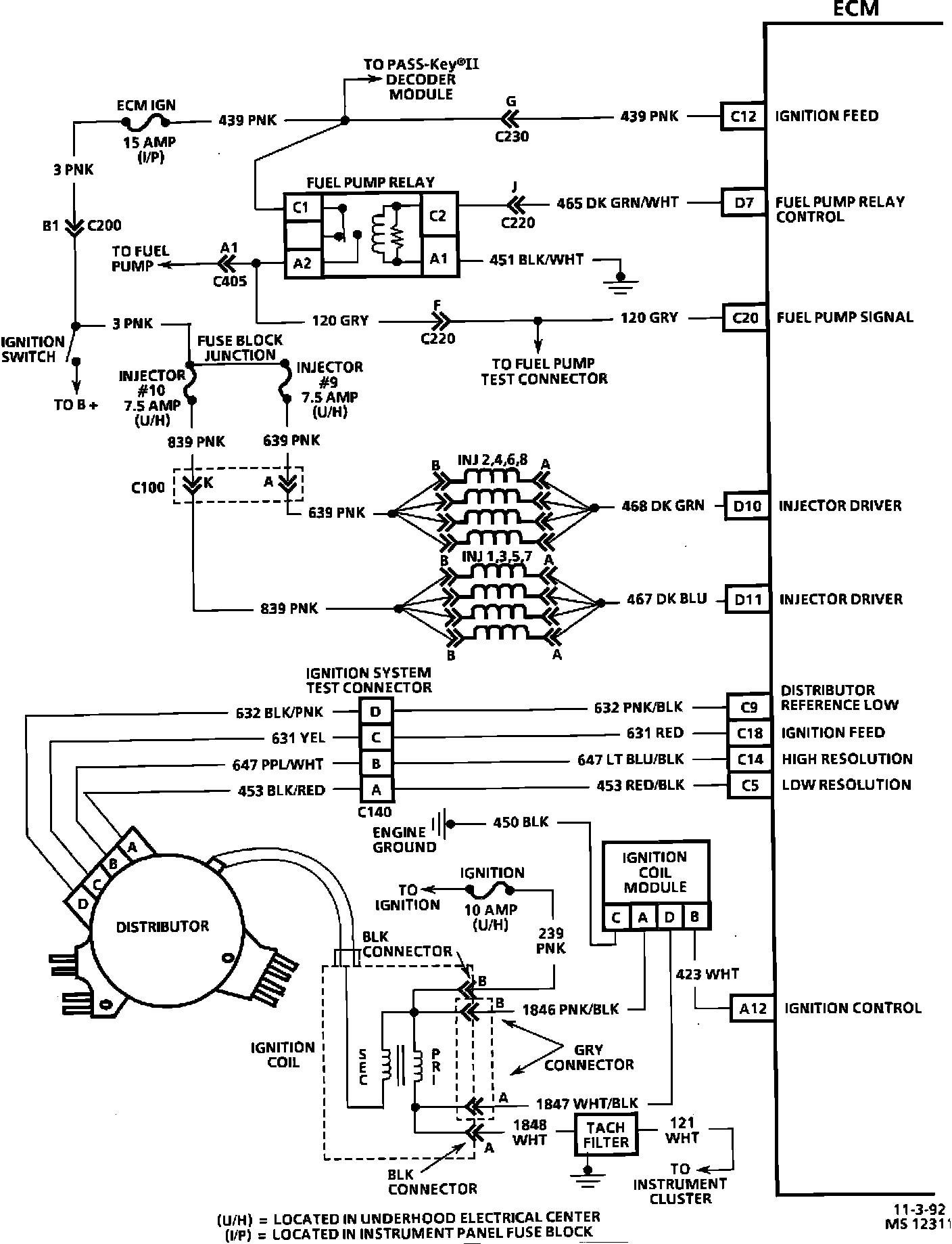
ECM Wiring Diagram:






C12 IGNITION FEED
D7 FUEL PUMP RELAY CONTROL
C20 FUEL PUMP SIGNAL
D10 INJECTOR DRIVER
D11 INJECTOR DRIVER
C9 DISTRIBUTOR REFERENCE LOW
C18 IGNITION FEED
C14 HIGH RESOLUTION
C5 LOW RESOLUTION
A12 IGNITION CONTROL



ECM Wiring Diagram:






B4 PRIMARY COOLING FAN RELAY CONTROL
B10 SECONDARY COOLING FAN RELAY CONTROL A22 A/C REQUEST
B5 A/C CLUTCH CONTROL
C1 A/C STATUS
C16 A/C EVAPORATOR TEMPERATURE SENSOR SIGNAL C11 A/C REFRIGERANT PRESSURE SENSOR SIGNAL