Curiosii for ever!
: Car repair manuals for everyone.
Home
>>
Chevrolet
>>
1992
>>
Lumina V6-204 3.4L DOHC
>>
Repair and Diagnosis
>>
Powertrain Management
>>
Computers and Control Systems
>>
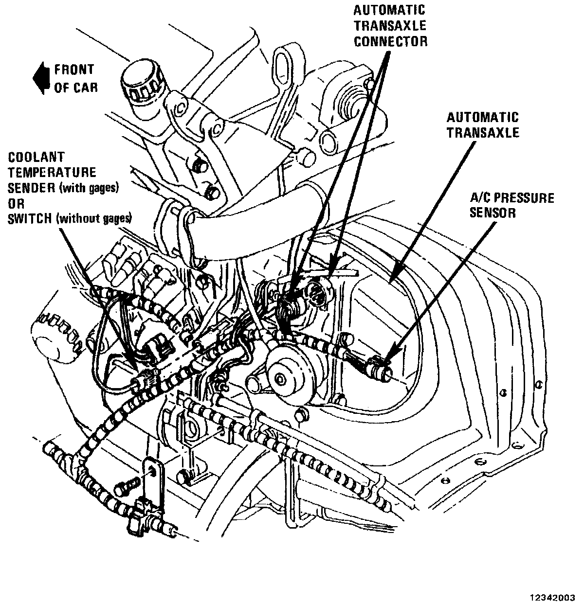
Coolant Temperature Sensor/Switch (For Computer)
>>
Locations
>>
Coolant Temperature Switch
Coolant Temperature Switch