Curiosii for ever!: Car repair manuals for everyone.

Sedan

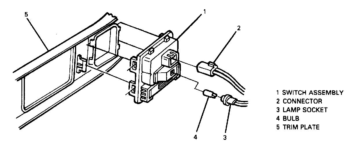
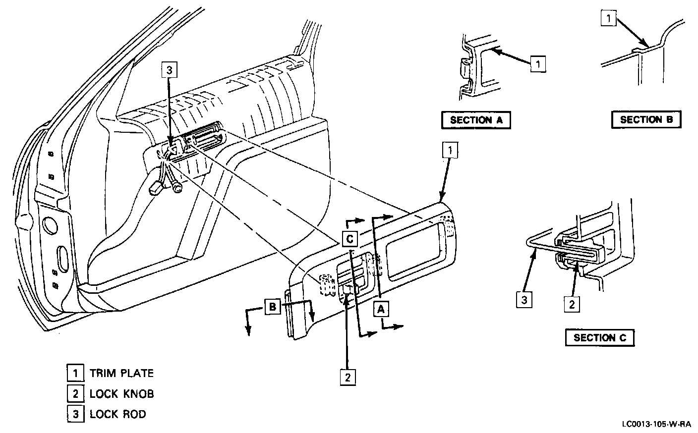
Door Trim Plate:




Door Lock Switch Assembly:






NOTICE: When removing a door trim panel or switch plate, the ignition switch must be in the OFF position. This will eliminate the possibility of shorting out the switch if a screwdriver, awl or metal object is used to remove the switch from the harness.

Remove or Disconnect

1. Trim plate by prying out with a flat-bladed tool.
2. Connector, lamp socket, and bulb.
3. Switch assembly from trim plate.

Install or Connect

1. Switch assembly to trim plate.
2. Connector, bulb, and lamp socket.
3. Trim plate.