Curiosii for ever!
: Car repair manuals for everyone.
Home
>>
Chevrolet
>>
1992
>>
Cavalier/Z24 L4-134 2.2L
>>
Repair and Diagnosis
>>
Starting and Charging
>>
Diagrams
>>
Electrical Diagrams
>>
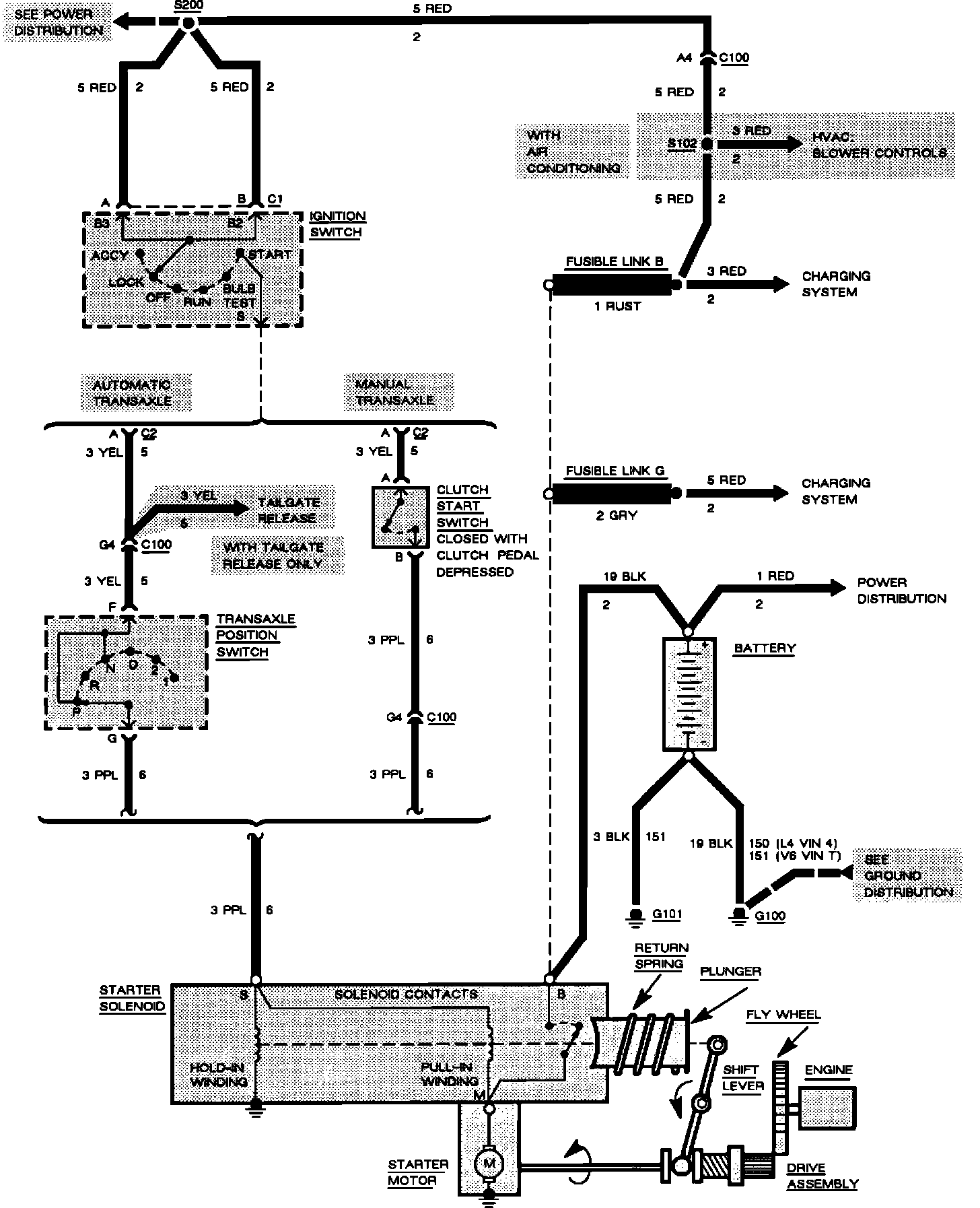
Starting System
Starting System
Starting System: