Curiosii for ever!: Car repair manuals for everyone.

EGR Control Solenoid: Description and Operation

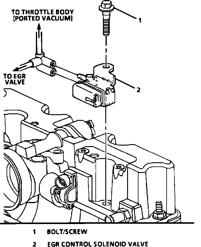
EGR Solenoid Location:






To regulate exhaust gas flow, an ECM controlled EGR control valve relay solenoid is used in the vacuum line. The ECM uses information from the following sensors to regulate the solenoid:

^ Engine Coolant Temperature (ECT) sensor.

^ Throttle Position (TP) sensor.

The EGR vacuum control has a vacuum solenoid that the ECM turns "ON" or "OFF."