Curiosii for ever!
: Car repair manuals for everyone.
Home
>>
Chevrolet
>>
1992
>>
Camaro V8-350 5.7L
>>
Repair and Diagnosis
>>
Powertrain Management
>>
Diagrams
>>
Electrical Diagrams
>>
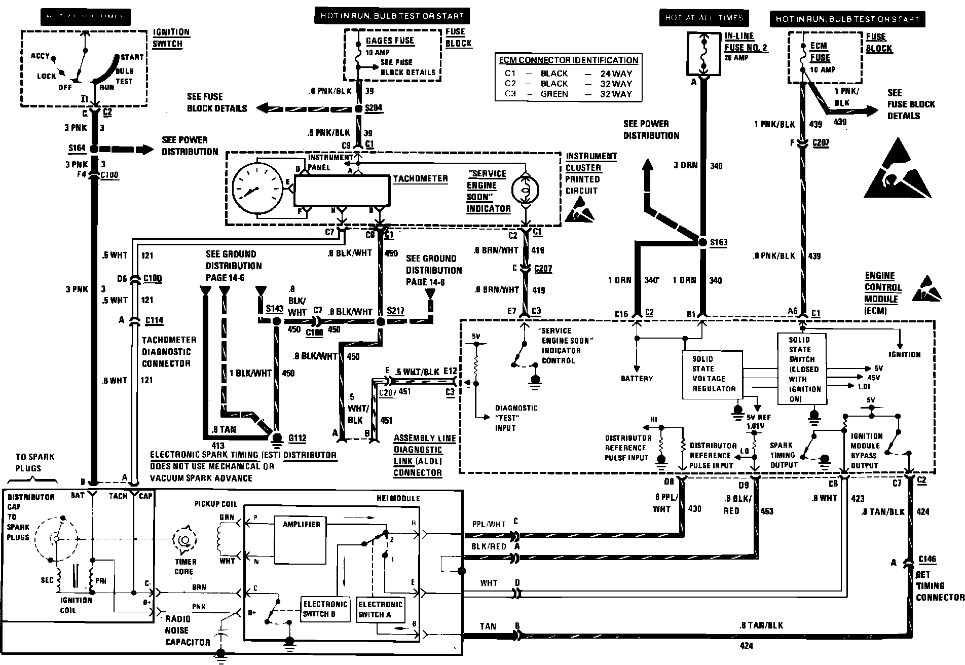
Ignition Controls
Ignition Controls
Multi-Port Fuel Injection: