Curiosii for ever!
: Car repair manuals for everyone.
Home
>>
Chevrolet
>>
1991
>>
Beretta L4-134 2.2L
>>
Repair and Diagnosis
>>
Powertrain Management
>>
Diagrams
>>
Electrical Diagrams
>>
Powertrain Controls
>>
Power, Ground & Fuel Control
Power, Ground & Fuel Control
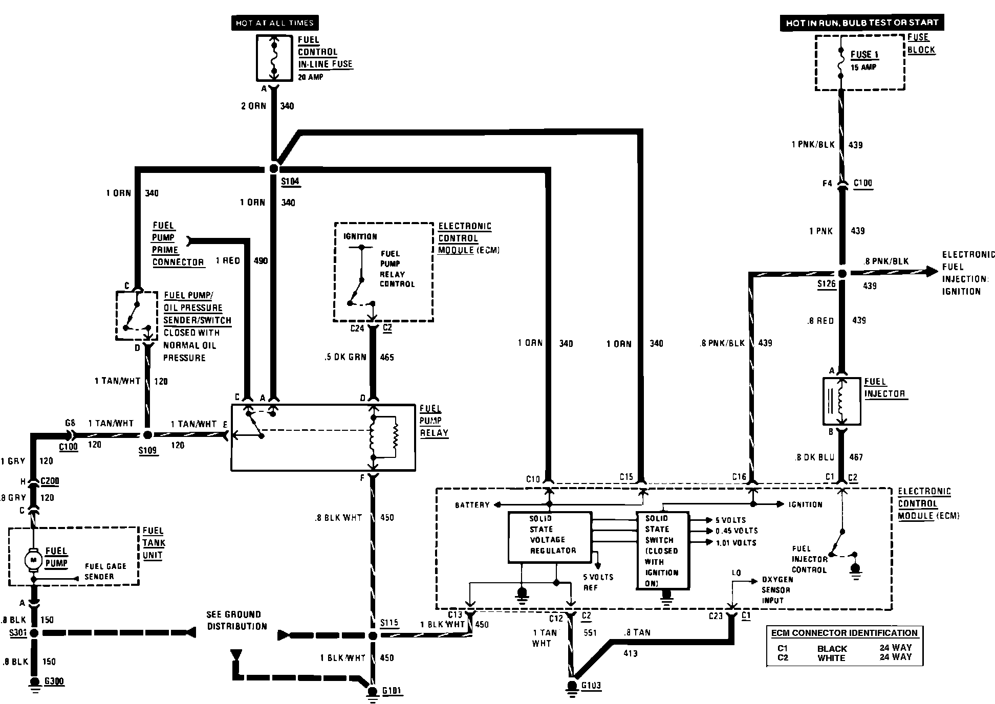
Electronic Fuel Injection: Power, Ground And Fuel Control: