Curiosii for ever!
: Car repair manuals for everyone.
Home
>>
Chevrolet
>>
1991
>>
Beretta L4-134 2.2L
>>
Repair and Diagnosis
>>
Diagrams
>>
Electrical Diagrams
>>
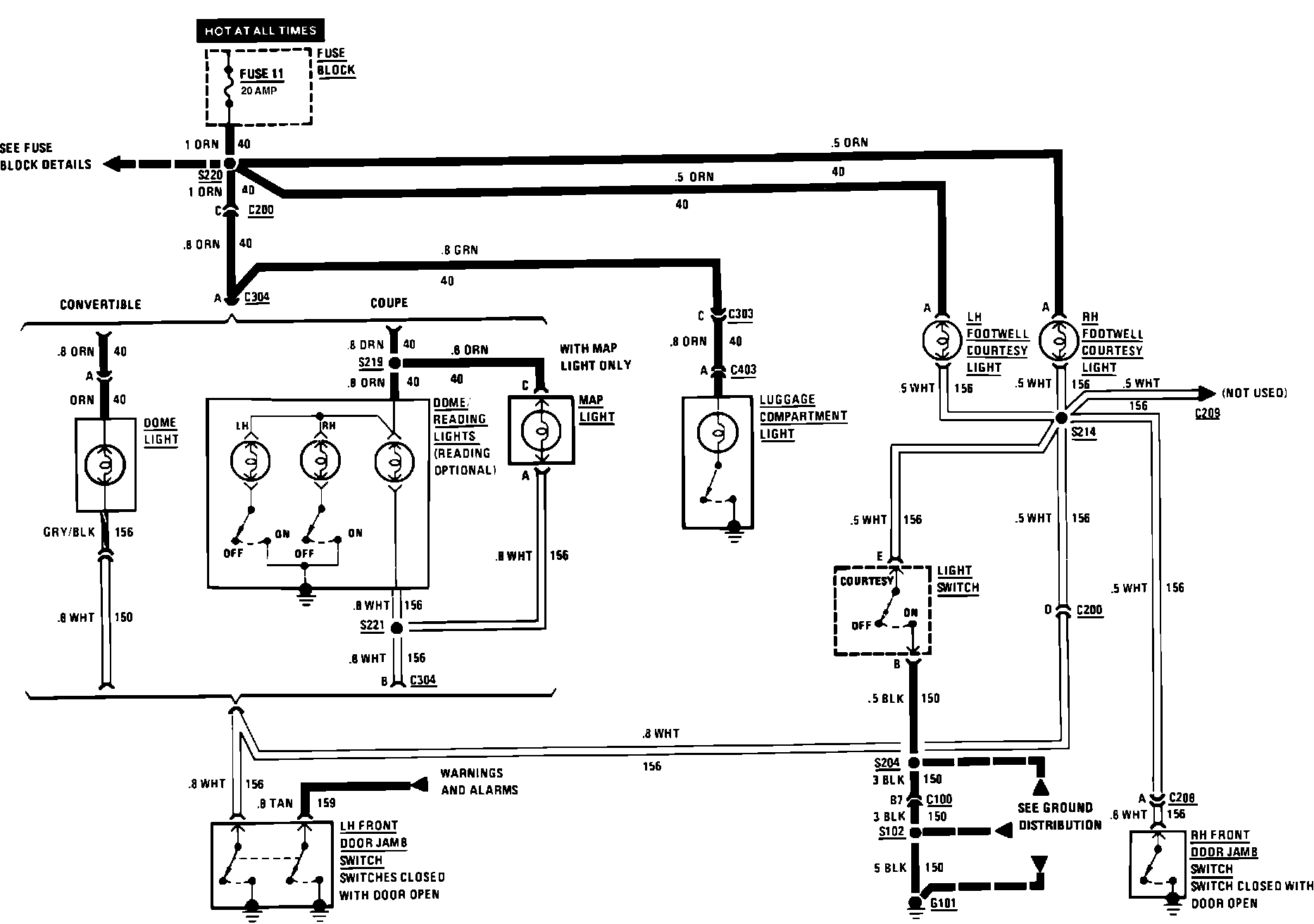
Map Light
>>
Map
>>
Convertible
Convertible
Interior Lights: Footwell Courtesy/Dome/Reading/Cigar Lighter/Map: