Curiosii for ever!
: Car repair manuals for everyone.
Home
>>
Chevrolet
>>
1988
>>
Caprice V8-305 5.0L
>>
Repair and Diagnosis
>>
Diagrams
>>
Electrical Diagrams
>>
Heating and Air Conditioning
>>
System Diagram
>>
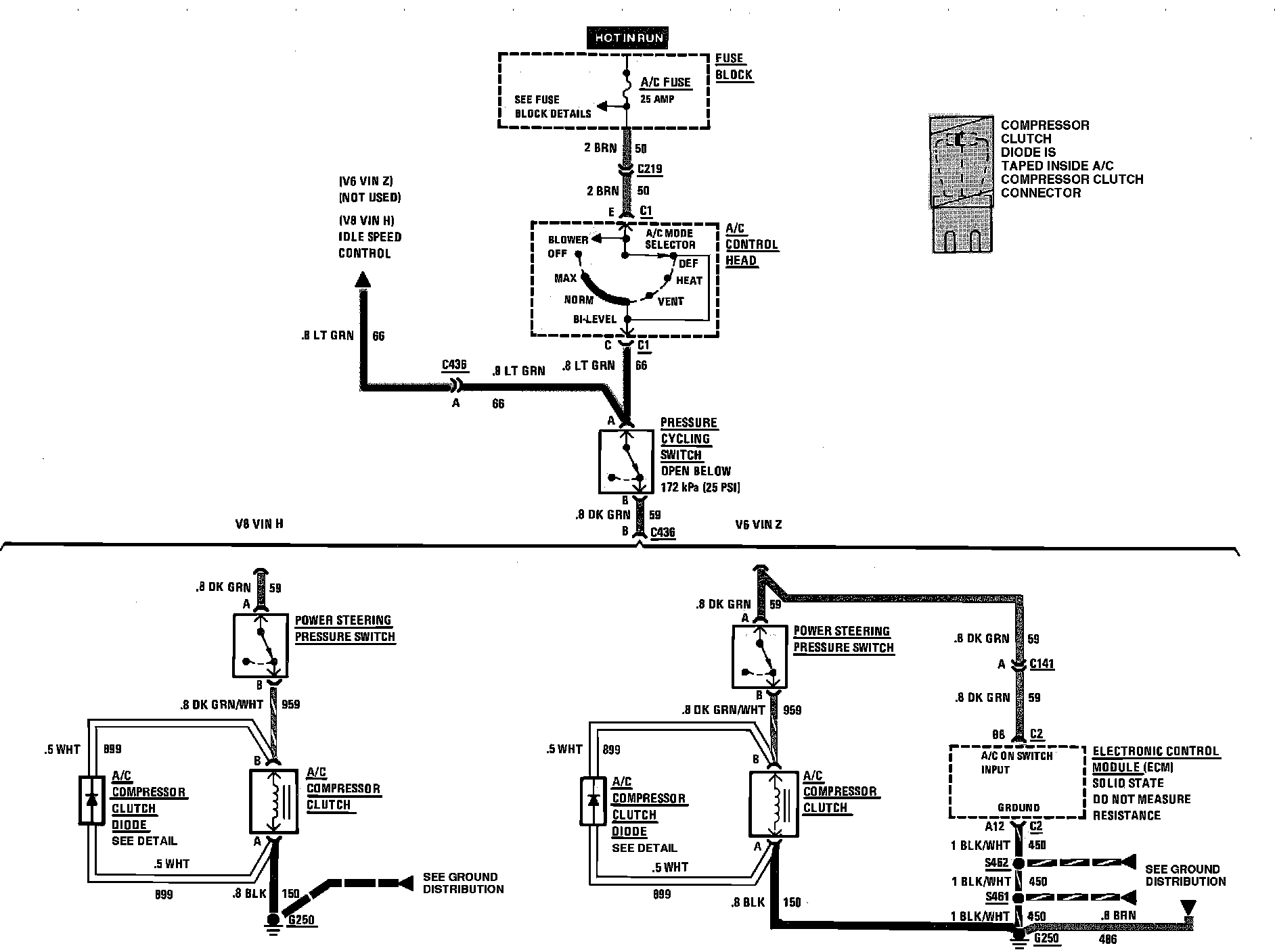
Compressor Controls
Compressor Controls
A/C Compressor Controls Wiring Circuit (W/Manual A/C):