Curiosii for ever!: Car repair manuals for everyone.

Air Injection: Testing and Inspection

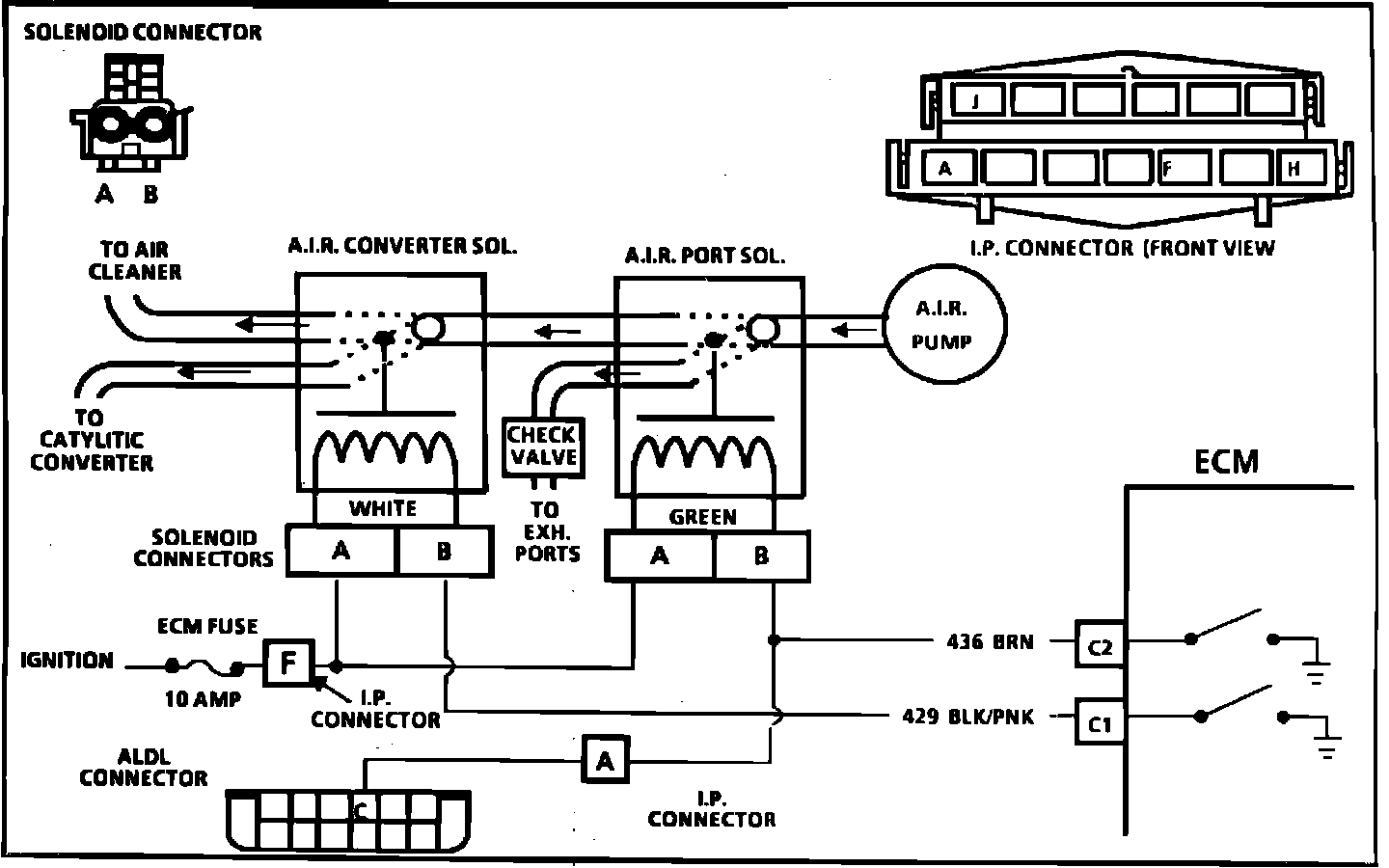
Fig. 017 - Wiring Diagram for Chart C-6 Air Management Check. VIN Z:





CHART C-6

AIR MANAGEMENT CHECK - PEDES VALVE

(PRESSURE OPERATED ELECTRIC DIVERT/ELECTRIC SWITCHING)

4.3L "B/G" SERIES (TBI)

Circuit Description:
Air Management is controlled by a port valve and a Converter Valve, each with an ECM controlled vacuum solenoid. When the solenoid is grounded by the ECM, AIR pressure will activate the valve and allow pump air to be directed as follows:
Neither solenoid grounded by the ECM - Air pump air diverted to atmosphere. Converter solenoid grounded by the ECM - Air pump air to converter.
Port solenoid grounded by the ECM - Air pump air to exhaust ports.





Fig. 016 Chart C-6 Air Management Check:





Test Description:
Number below refer to circled number on the diagnostic chart.
1. This is a system functional check. Air is directed to ports during "Open Loop" and all engine start in open loop even on a warm engine. Since the air to the ports time is very short on some engines, prepare to observe port air prior to engine start up. On some engines, this can be done by squeezing a hose. On others, steel pipes have to be disconnected.
2. This should normally set a Code 22. When any code is set, the ECM opens the ground to the Air Control Valve and allows air to divert. This checks for ECM response to a fault. A ground in the control valve circuit to the ECM would prevent divert action.
3. This checks for a grounded circuit to the ECM Test light "OFF" is normal and would indicate the circuit is not grounded.
4. Checks for an open in the solenoid control circuits Grounding the test terminal should ground both solenoid circuits. Normally, the test light should be "ON" which indicates the problem is not in the ECM or wiring but at the solenoid connections or valve itself.
5. Checks for a grounded switching valve circuit. Test light "OFF" would indicate the circuit is normal and fault is in the valve.