Curiosii for ever!: Car repair manuals for everyone.

Control Arm: Service and Repair

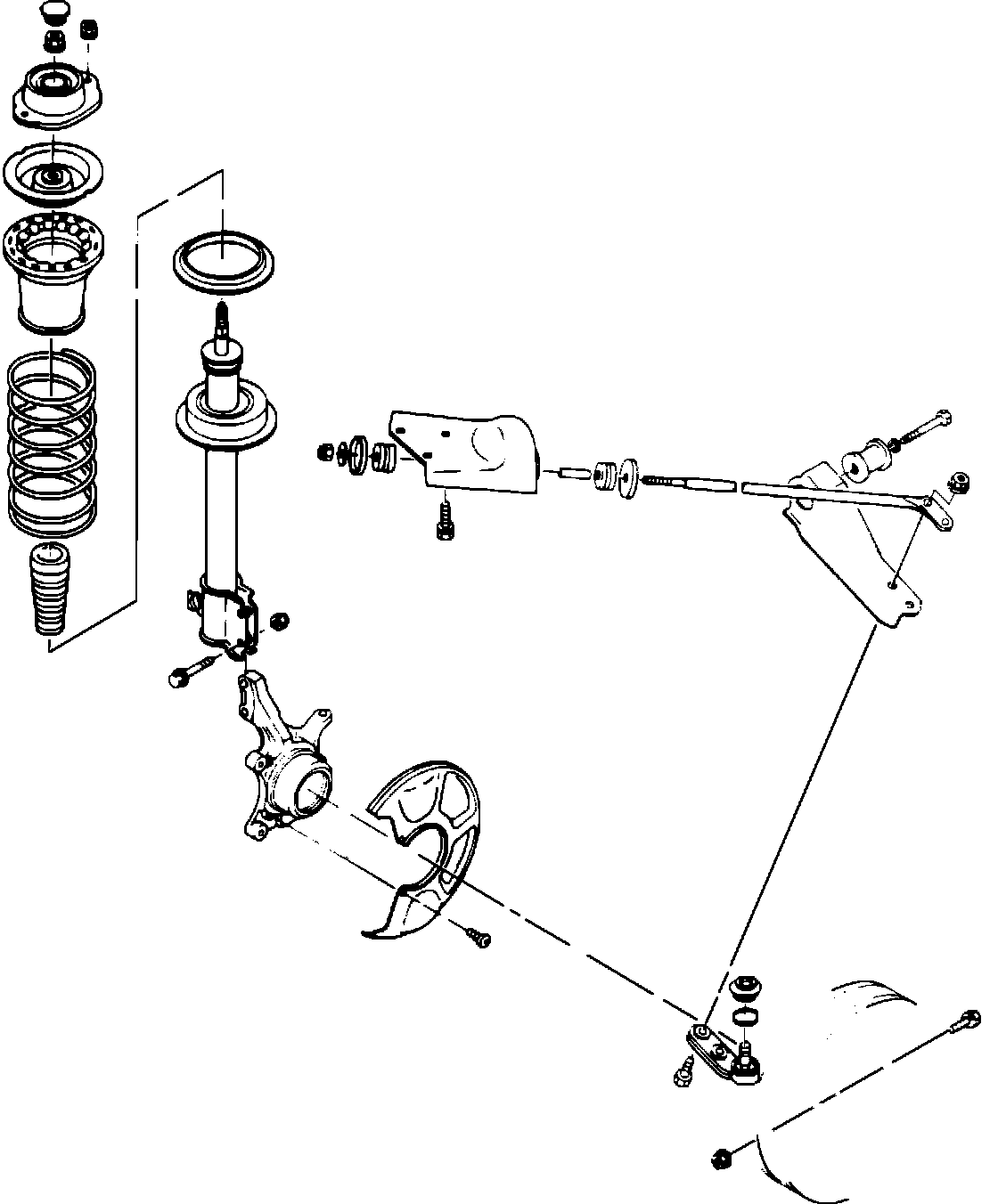
Fig. 1 Exploded view of front suspension assembly:





1. Raise and support front of vehicle.
2. Remove lower control arm-to-tension rod attaching nuts and bolts.
3. Remove control arm-to-body attaching bolt and nut.
4. Remove control arm, Fig. 1.


Fig. 4 Setting vehicle trim height:




Fig. 5 Control arm installation:





5. Reverse procedure to install, noting the following:
a. Replace self-locking nuts when installing arm.
b. When attaching control arm to body, first jack up lower part of arm to 15.18 inches, Fig. 4, then torque attaching bolts to specifications, Fig. 5.