Curiosii for ever!: Car repair manuals for everyone.

Electrical Diagrams

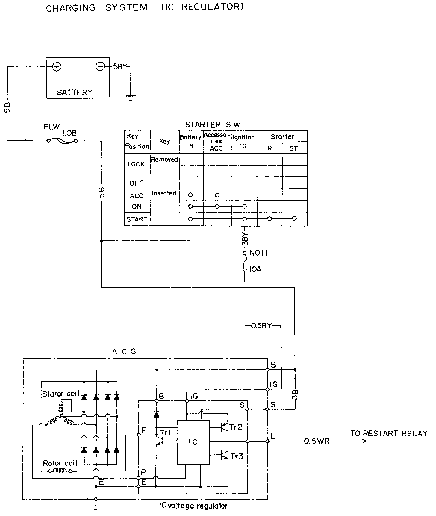
Charging Circuit: