Curiosii for ever!
: Car repair manuals for everyone.
Home
>>
Chevrolet
>>
1985
>>
Spectrum L4-91.5 1.5L
>>
Repair and Diagnosis
>>
Diagrams
>>
Electrical Diagrams
>>
Cigarette Lighter
Cigarette Lighter
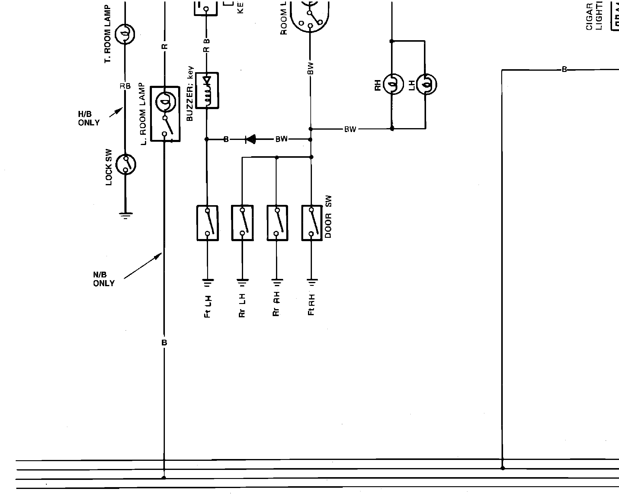
q��^m �^d�^t&�^�2�^?�^�H�^Fig. 002ch Complete Body & Chassis Wiring Circuit. 1985-86: