Curiosii for ever!
: Car repair manuals for everyone.
Home
>>
Chevrolet
>>
1985
>>
Chevette L4-98 1.6L
>>
Repair and Diagnosis
>>
Power and Ground Distribution
>>
Diagrams
>>
Electrical Diagrams
>>
Ground Distribution
>>
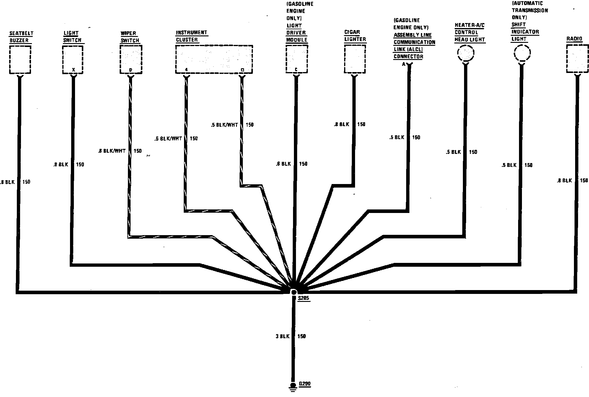
Instrument Panel Circuits
Instrument Panel Circuits
Ground Distribution (Instrument Panel):