Curiosii for ever!
: Car repair manuals for everyone.
Home
>>
Chevrolet
>>
1984
>>
Corvette V8-350 5.7L
>>
Repair and Diagnosis
>>
Powertrain Management
>>
Emission Control Systems
>>
Locations
Emission Control Systems: Locations
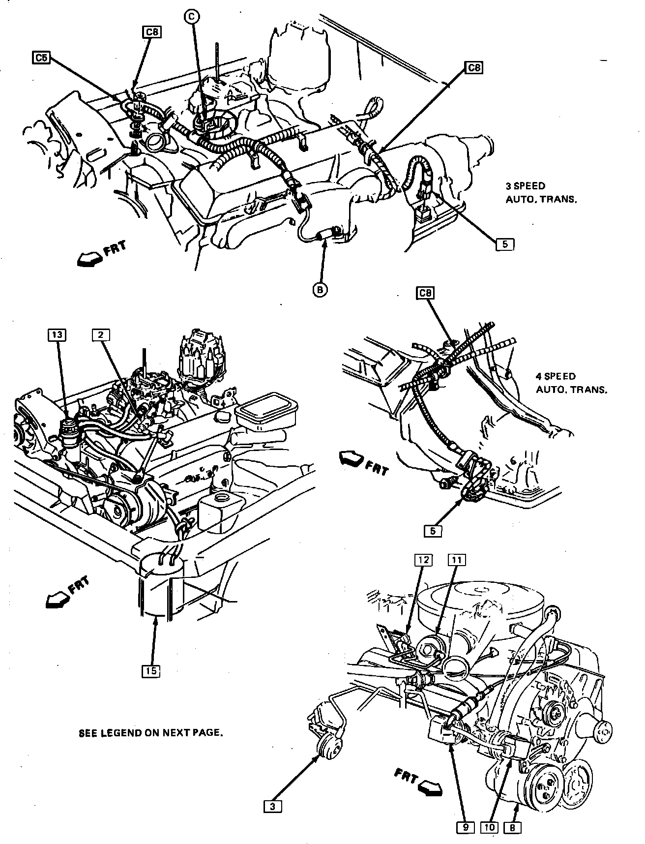
Fig. 12a Emission Control System Components (Part 1 of 2). 1984 V8-305 & 350 Chevrolet:
Fig. 12b Emission Control System Components (Part 2 of 2). 1984 V8-305 & 350 Chevrolet: