Curiosii for ever!: Car repair manuals for everyone.

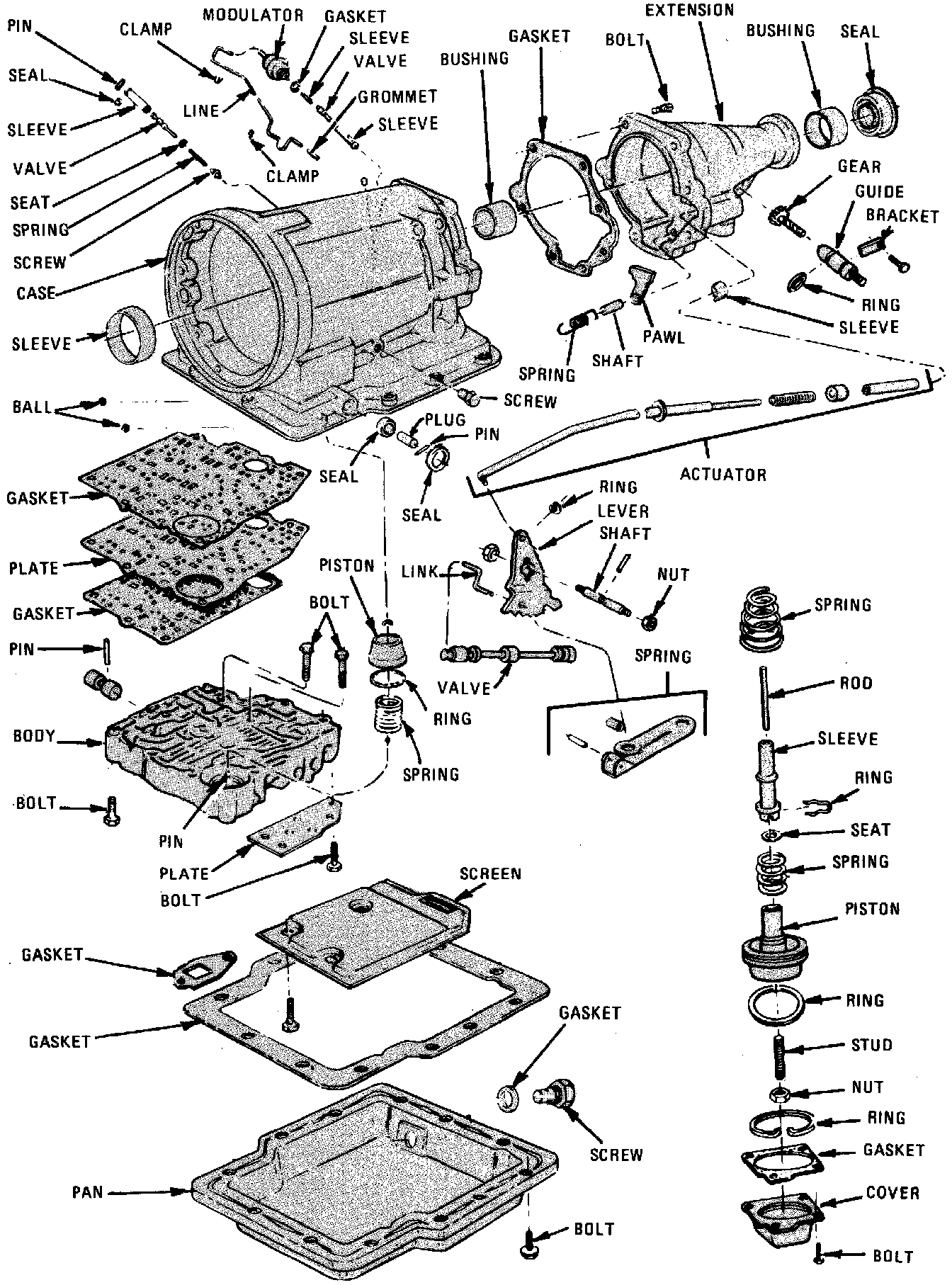
Servo Piston






1. Remove servo piston return spring and apply rod, see image.





2. Remove adjusting bolt locknut from servo piston sleeve, see image.





3. Depress piston sleeve and remove sleeve retaining ring, then push sleeve through piston and remove cushion spring and spring retainer. Remove servo piston ring, see image.

4. Inspect all parts for wear or damage. Replace as necessary.

5. Assemble servo piston, see image above step 3.