Curiosii for ever!
: Car repair manuals for everyone.
Home
>>
Chevrolet
>>
1984
>>
Chevette L4-98 1.6L
>>
Repair and Diagnosis
>>
Powertrain Management
>>
Diagrams
>>
Electrical Diagrams
>>
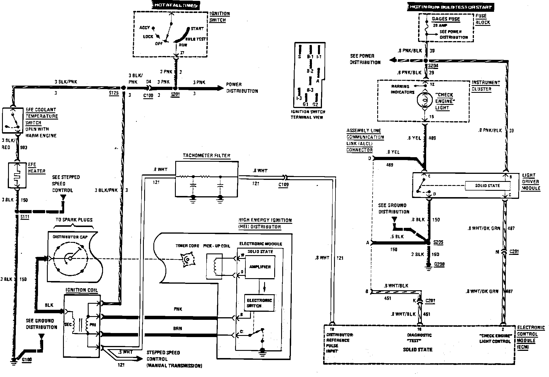
Check Engine/Service Engine Indicator & Ignition
Check Engine/Service Engine Indicator & Ignition
Computer Command Control (Check Engine Light & Ignition System) Wiring Circuit: