Curiosii for ever!
: Car repair manuals for everyone.
Home
>>
Cadillac
>>
2013
>>
XTS AWD V6-3.6L
>>
Repair and Diagnosis
>>
Starting and Charging
>>
Power and Ground Distribution
>>
Diagrams
>>
Electrical Diagrams
>>
Power Moding Schematics
Power Moding Schematics
Power Moding Schematics
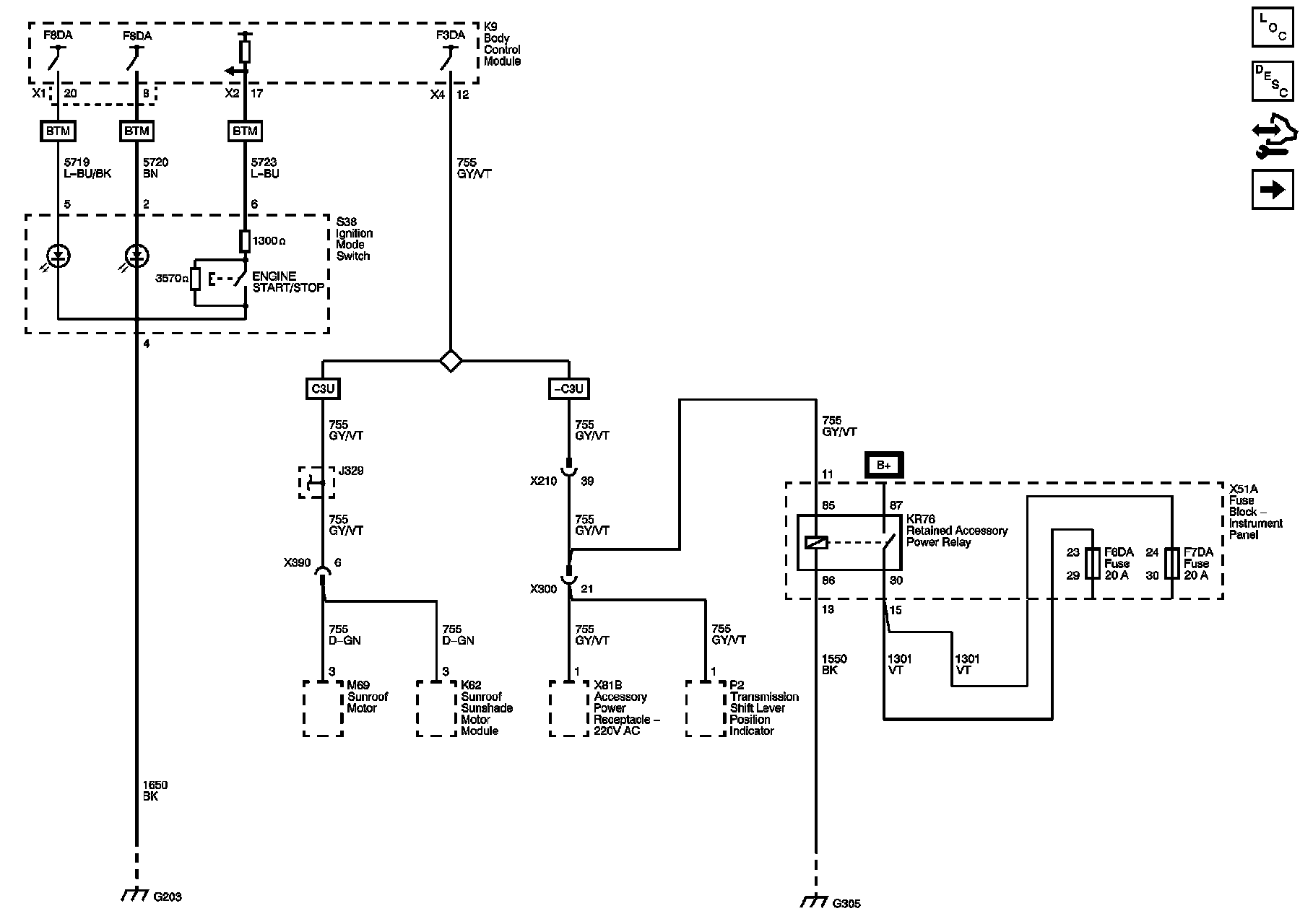
S38 Ignition Mode Switch and KR76 Retained Accessory Power Relay
KR74 Ignition Run Relay
S38 Ignition Mode Switch and KR76 Retained Accessory Power Relay