Curiosii for ever!
: Car repair manuals for everyone.
Home
>>
Cadillac
>>
2013
>>
XTS AWD V6-3.6L
>>
Repair and Diagnosis
>>
Heating and Air Conditioning
>>
Condenser HVAC
>>
Service and Repair
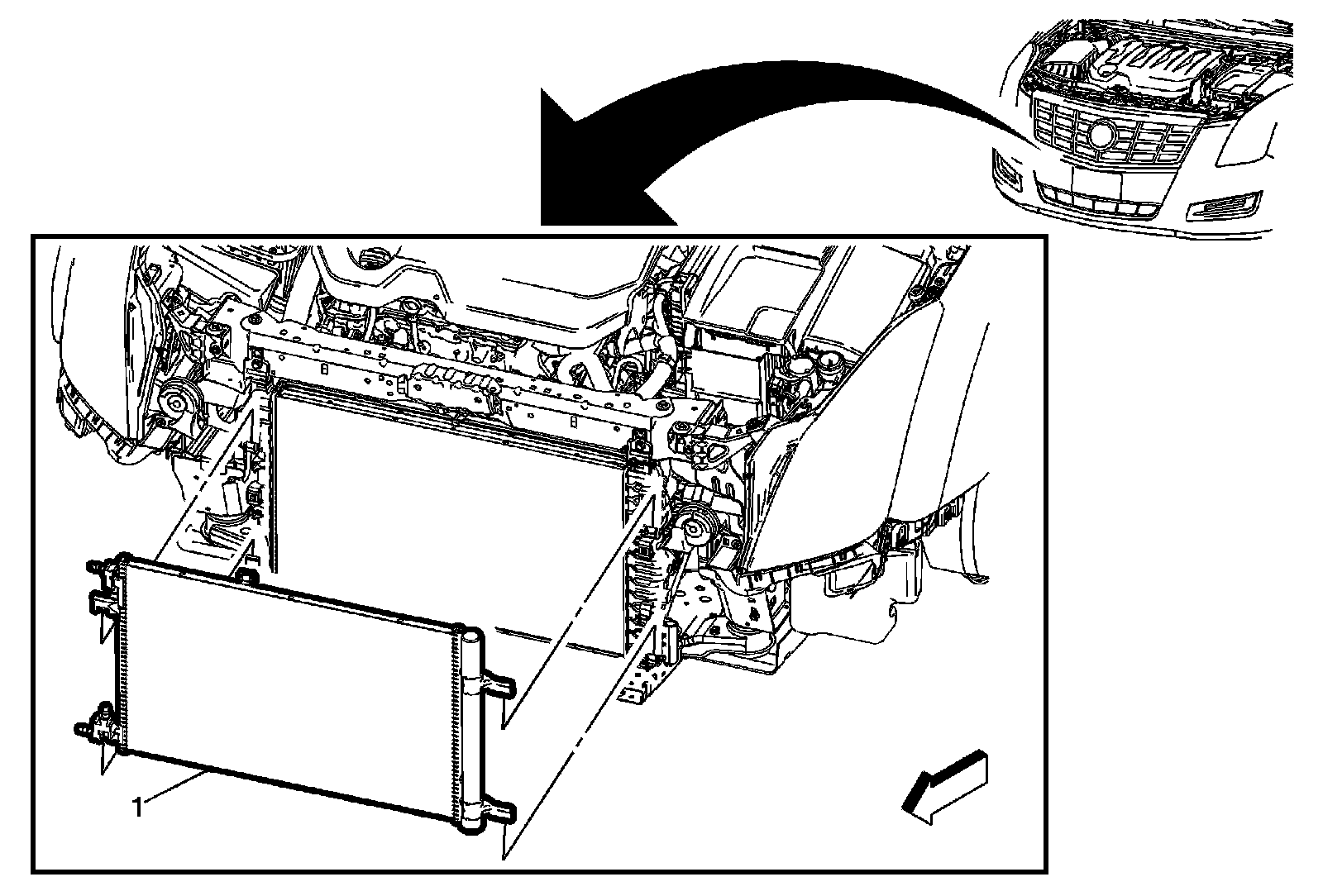
Condenser HVAC: Service and Repair
Air Conditioning Condenser Replacement