Curiosii for ever!
: Car repair manuals for everyone.
Home
>>
Cadillac
>>
2013
>>
XTS AWD V6-3.6L
>>
Repair and Diagnosis
>>
Diagrams
>>
Electrical Diagrams
>>
Locks
>>
System Diagram
>>
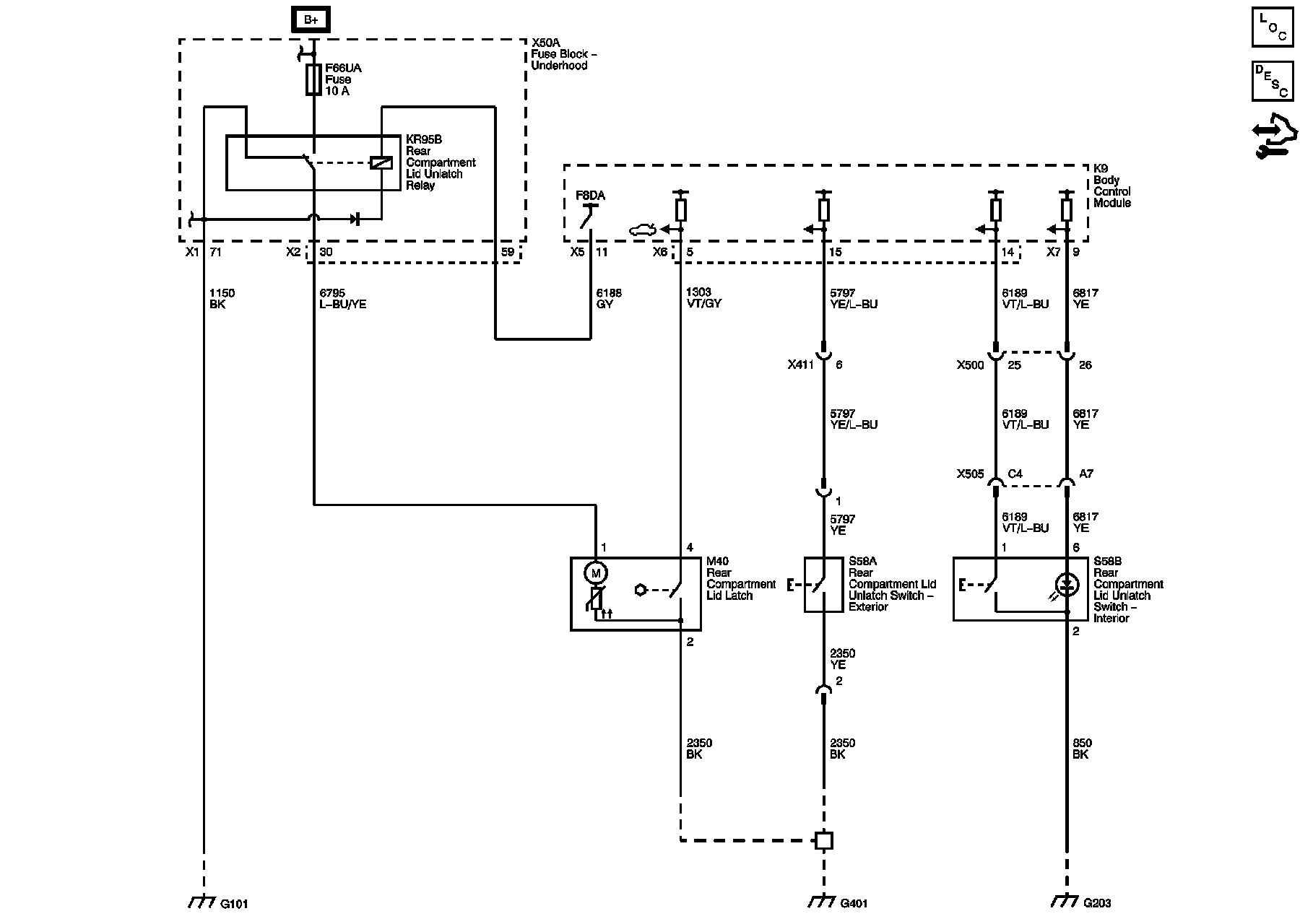
Release Systems Schematics
Release Systems Schematics
Release Systems Schematics
Rear Compartment
Luggage Compartment Description and Operation