Curiosii for ever!: Car repair manuals for everyone.

Keyless Entry Transmitter




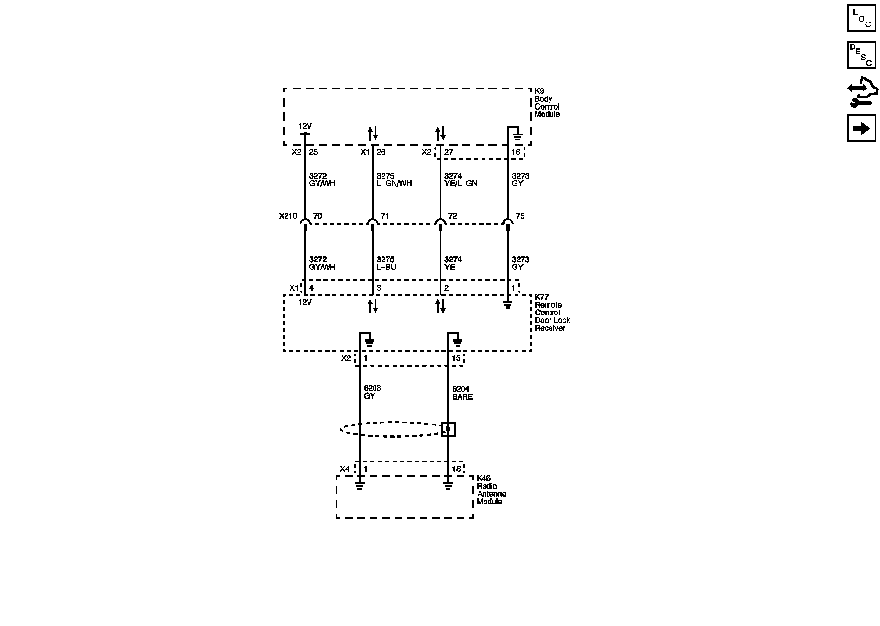
Remote Function Schematics

Keyless Entry





Keyless Entry System Description and Operation
Passive Entry

Passive Entry





Keyless Entry System Description and Operation
Garage Door Opener
Keyless Entry

Garage Door Opener





Garage Door Opener Description and Operation
Passive Entry