Curiosii for ever!: Car repair manuals for everyone.

Transfer Case Disassemble





Transfer Case Disassemble

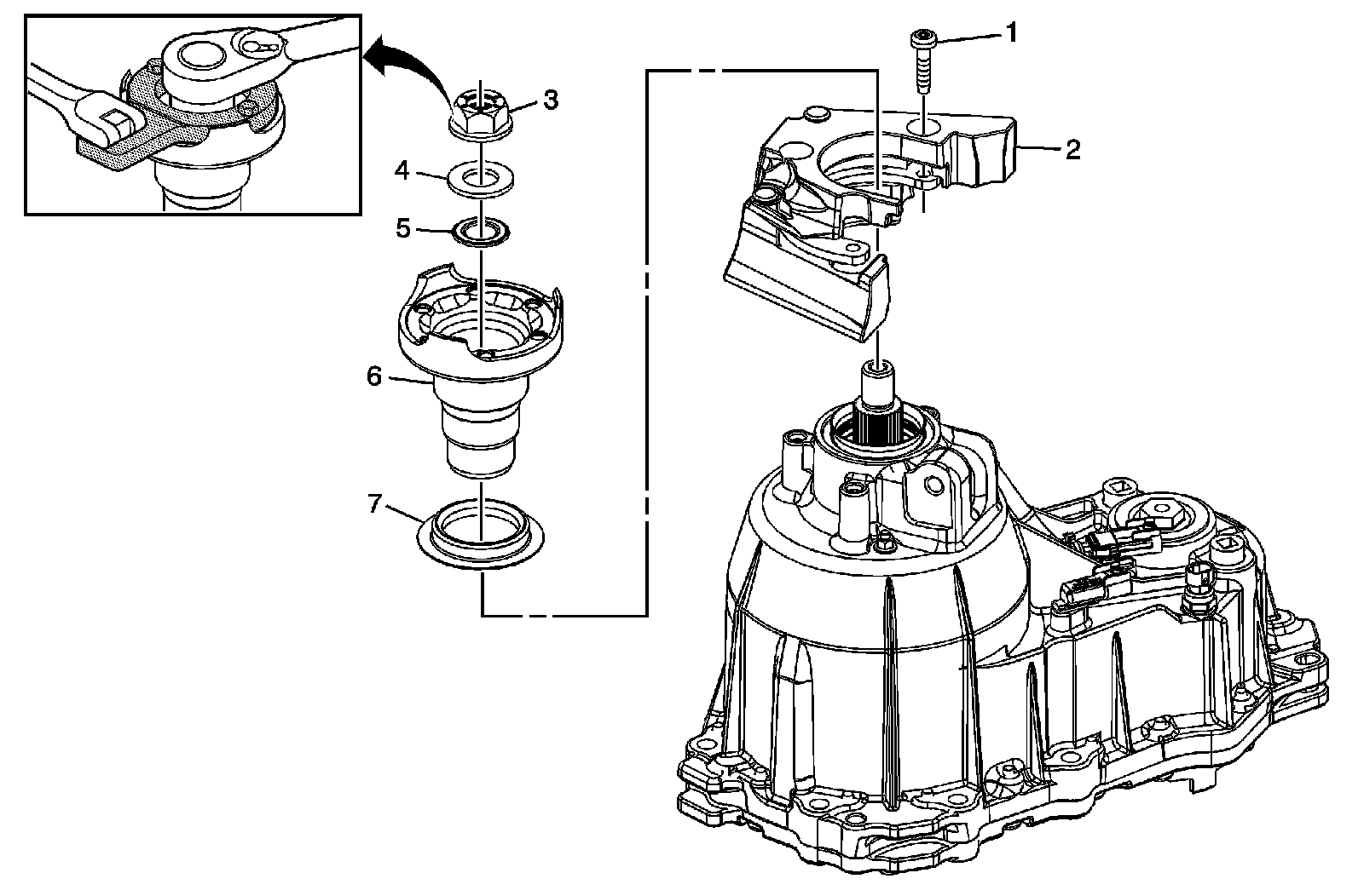
Dampener and Rear Output Flange Removal










Vent Assembly, Drain Plug, Fill Plug, and Temperature Sensor Removal










Front Output Shaft Removal










Cover, Apply Cam, and Clutch Pack Removal










Chain, Sprockets, Oil Pump, and Input Shaft Removal










Coil Removal










Chain Snubber and Vent Baffle Removal