Curiosii for ever!
: Car repair manuals for everyone.
Home
>>
Cadillac
>>
2013
>>
CTS Sedan AWD V6-3.6L
>>
Repair and Diagnosis
>>
Power and Ground Distribution
>>
Diagrams
>>
Electrical Diagrams
>>
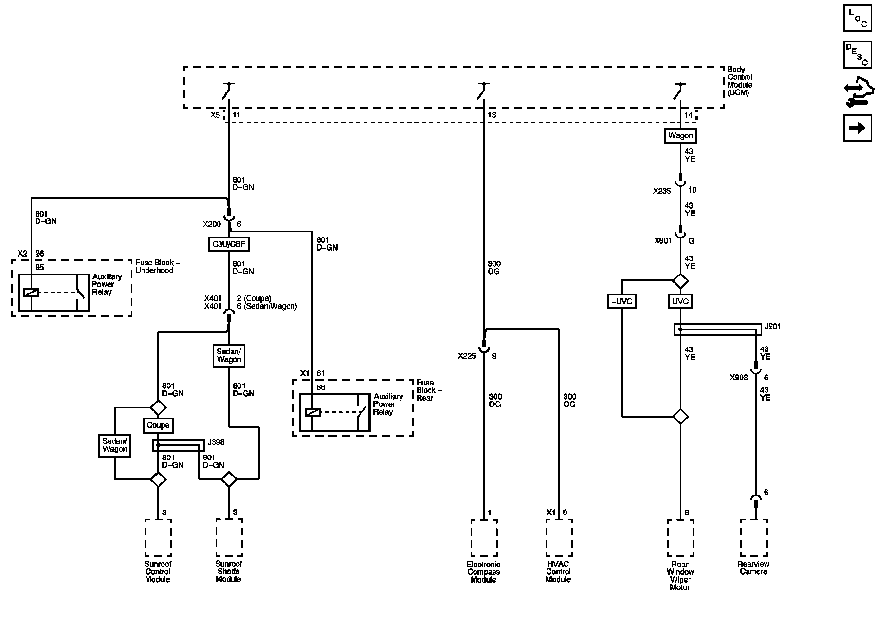
Power Moding Schematics
Power Moding Schematics
Power Moding Schematics
BCM Controlled
IGN II/III