Curiosii for ever!: Car repair manuals for everyone.

Engine Oil Level Sensor and/or Switch Replacement (AWD)





Engine Oil Level Sensor and/or Switch Replacement (AWD)

Removal Procedure

1. Remove the oil pan. Refer to Oil Pan Replacement Service and Repair.




2. Remove the oil pan drain plug (1).




3. Remove the oil pan skid plate bolts (2).

4. Remove the oil pan skid plate (1).




5. Remove the oil pan scraper bolts (2).

6. Remove the oil pan scraper (1).




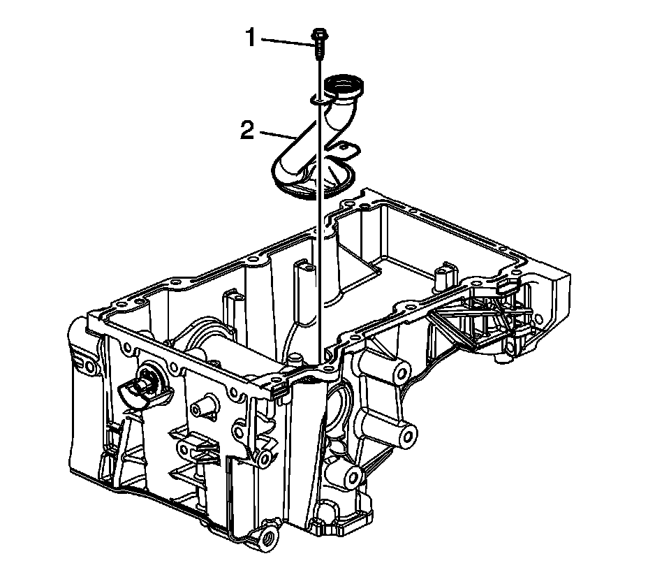
7. Remove the oil suction pipe bolts (1).

8. Remove the oil suction pipe (2).




9. Remove the oil suction pipe seal (1).




10. Remove the engine oil level switch clip (3)

11. Remove the engine oil level switch bolt (1).

12. Remove the engine oil level switch (2).

13. Remove the engine oil level switch seal (4).

Installation Procedure




1. Install the NEW engine oil level switch seal (4).

2. Install the engine oil level switch (2).

Caution: Refer to Fastener Caution Fastener Caution.

3. Install the engine oil level switch bolts (1) and tighten to 10 Nm (89 lb in).

4. Install NEW engine oil level switch clip (3).




5. Install the NEW oil suction pipe seal (1).




6. Install the oil suction pipe (2).

7. Install the oil suction pipe bolts (1) and tighten to 10 Nm (89 lb in).




8. Install the oil pan scraper (1).

9. Install the oil pan scraper bolts (2) and tighten to 10 Nm (89 lb in).




10. Install the oil pan skid plate (1).

11. Install the oil pan skid bolt (2).




12. Install the oil pan drain plug (1) and tighten to 25 Nm (18 lb ft).

13. Install the oil pan. Refer to Oil Pan Replacement Service and Repair.