Curiosii for ever!
: Car repair manuals for everyone.
Home
>>
Cadillac
>>
2013
>>
CTS Sedan AWD V6-3.6L
>>
Repair and Diagnosis
>>
Diagrams
>>
Electrical Diagrams
>>
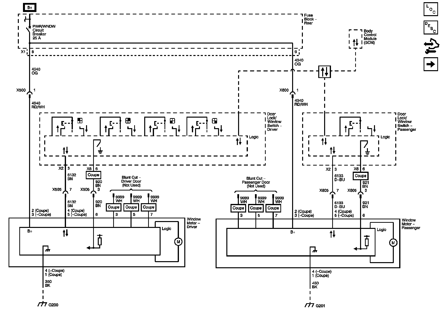
Windows
Windows
Moveable Window Schematics
Front
Rear (Sedan or Wagon)