Curiosii for ever!
: Car repair manuals for everyone.
Home
>>
Cadillac
>>
2011
>>
STS AWD V6-3.6L
>>
Repair and Diagnosis
>>
Transmission and Drivetrain
>>
Automatic Transmission/Transaxle
>>
Fluid Pan
>>
Specifications
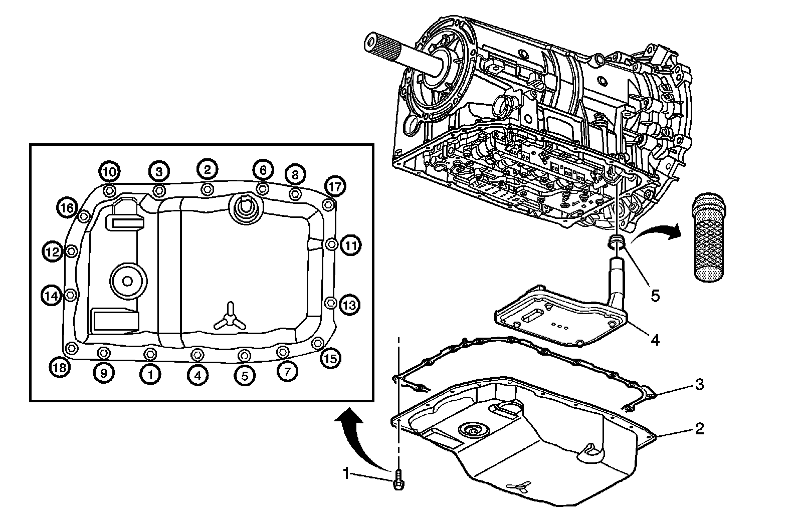
Fluid Pan: Specifications
Fluid pan
9 Nm (80 lb in)