Curiosii for ever!: Car repair manuals for everyone.

Intake Manifold Replacement




Intake Manifold Replacement

Removal Procedure

1. Turn the ignition OFF.
2. Remove the fuel injector sight shield. Refer to Fuel Injector Sight Shield Replacement (LLT) (Fuel Injector Sight Shield Replacement).




3. Remove the air inlet duct. Refer to Air Cleaner Inlet Duct Replacement (Service and Repair).
4. Disconnect the brake booster vacuum hose from the intake manifold.




5. Disconnect the purge solenoid valve electrical connector.




6. Disconnect the purge line (3) from the purge solenoid valve.




7. Remove the wiring harness retainer.




8. Disconnect the throttle body electrical connector.




9. Remove the upper intake manifold brace stud (1), bolt (2), and brace.
10. Disconnect the positive crankcase ventilation (PCV) hose from the right bank camshaft cover.




11. Disconnect the barometric pressure sensor electrical connector.




12. Disconnect the intake manifold runner control solenoid electrical connector.




13. Remove the injector harness bracket bolt.
14. Remove the left bank ignition coil wiring harness from the bracket.




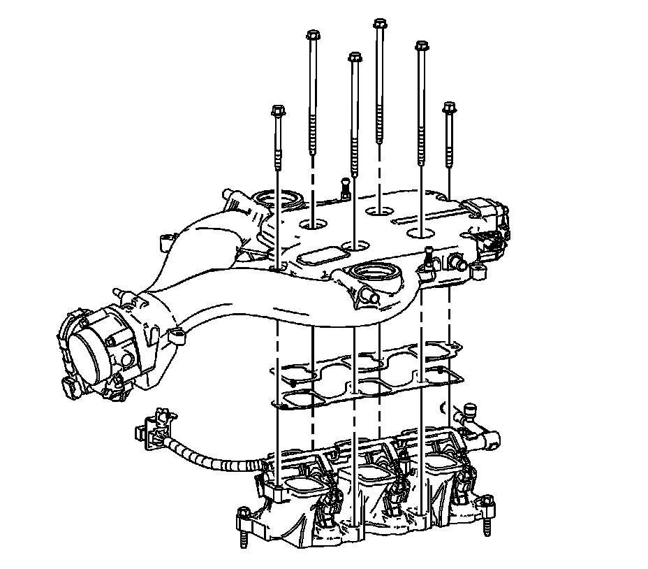
15. Remove the upper intake manifold bolts. Some deflection of the cowl panel may be necessary to extract the right rear bolt.
16. Remove the upper intake manifold with the throttle body.
17. If the upper intake manifold is being replaced, disassemble the intake manifold. Refer to Intake Manifold Disassemble (LLT) (83. Intake Manifold Disassemble).
18. Clean and inspect the intake manifold. Refer to Intake Manifold Cleaning and Inspection (LLT) (84. Intake Manifold Cleaning and Inspection).

Installation Procedure

1. If the upper intake manifold is being replaced, assemble the intake manifold. Refer to Intake Manifold Assemble (LLT) (85. Intake Manifold Assemble).




2. Install a NEW upper intake manifold gasket.
3. Install the upper intake manifold.

Caution: Refer to Fastener Caution (Fastener Caution).

Note: Tighten the intake manifold bolts in a circular pattern starting at the center (long bolts) and moving outward.

4. Install the upper intake manifold bolts and tighten to 23 Nm (17 lb ft).




5. Connect the barometric pressure sensor electrical connector.




6. Connect the intake manifold runner control solenoid electrical connector.
7. Connect the PCV hose to the right bank camshaft cover.




8. Install the upper intake manifold brace, stud (1) and bolt (2).
Tighten the intake manifold brace bolt/stud.

1. Tighten the intake manifold brace bolt (2) to 65 Nm (48 lb ft).
2. Tighten the intake manifold brace stud (1) to 10 Nm (89 lb in).





Caution: Ensure proper engagement of the wiring harness connector. The wiring harness connector must be installed straight onto the component connector and firmly seated. Visually inspect the connector to ensure that the connector latches are engaged and locked. Any damage to the connector or wiring must be repaired. Failure to follow this procedure can lead to an intermittent electrical connection, driveability concerns, and/or wiring harness or wiring harness connector damage or failure.

9. Connect the electrical connector to the throttle body.




10. Install the wiring harness retainer.




11. Connect the purge line (3) to the purge solenoid valve.




12. Connect the purge solenoid valve electrical connector.
13. Connect the brake booster vacuum hose to the intake manifold.




14. Install the air inlet duct. Refer to Air Cleaner Inlet Duct Replacement (Service and Repair).
15. Install the fuel injector sight shield. Refer to Fuel Injector Sight Shield Replacement (LLT) (Fuel Injector Sight Shield Replacement).