Curiosii for ever!: Car repair manuals for everyone.

EGR Valve: Service and Repair




Exhaust Gas Recirculation Valve Replacement

Removal Procedure




1. Remove the fuel injector sight shield, if necessary. Refer to Fuel Injector Sight Shield Replacement (Fuel Injector Sight Shield Replacement).
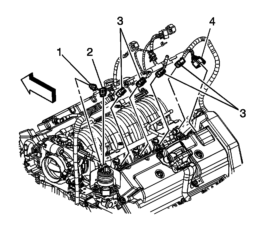
2. Disconnect the engine harness electrical connector (2) from the exhaust gas recirculation (EGR) valve.




3. Remove the EGR bracket shield nuts.
4. Remove the EGR bracket shield.




5. Remove the EGR valve bolts.
6. Remove the EGR valve.
7. Remove and discard the EGR valve gasket.

Note: Inspect the EGR passages in the water pump housing for deposits. Clean the EGR passages as needed. Refer to Exhaust Gas Recirculation (EGR) System Cleaning (Service and Repair).

8. Clean the EGR valve mounting surface.

Installation Procedure




1. Install a NEW EGR gasket.
2. Install the EGR valve.

Caution: Refer to Fastener Caution (Fastener Caution).

3. Install the EGR valve bolts.

Tighten the bolts to 24 Nm (18 lb ft).




4. Install the EGR bracket shield.
5. Install the EGR bracket shield nuts.

Tighten the nuts to 10 Nm (89 lb in).




6. Connect the engine harness electrical connector (2) to the EGR valve.
7. Install the fuel injector sight shield, if necessary. Refer to Fuel Injector Sight Shield Replacement (Fuel Injector Sight Shield Replacement).