Curiosii for ever!: Car repair manuals for everyone.

Drivetrain - MIL ON C0399/C0400/C0401/U0102 Set

TECHNICAL

Bulletin No.: 11-04-21-005A

Date: April 27, 2011

Subject: Water Leaks Attributed to Right Front Area of Sunroof and/or Service All Wheel Drive Message Displayed in Driver Information Center (DIC), DTCs C0399, C0400, C0401 and/or U0102 Set.

Models:
2008-2011 Cadillac CTS (All Models Excluding V-Series)
Equipped with All Wheel Drive (RPO MX7) and Sunroof (RPO C3U or CBF)

Supercede:
This bulletin is being revised to correct the models and remove a condition. Please discard Corporate Bulletin Number 11-04-21-005 (Section 04 - Driveline/Axle).

Condition

Some customers may comment that the "Service All Wheel Drive" message is displayed in the DIC. Resulting DTCs C0399, C0400, C0401 set by TCCM, and/or U0102 set by EBCM, may be present and diagnostics lead to the transfer case control module (TCCM) replacement.

Some customers may also comment on the presence of water intrusion in the vehicle, which may be found traceable to the right front corner of the sunroof assembly and/or the right front drain hose.

Correction





Note
Due to the TCCM location on the right side instrument panel (IP) insulator, the right front corner of the sunroof assembly and the right front drain hose should be the focus of attention.

If the "Service AWD" in DIC is the primary customer concern, follow the normal diagnostics/repairs referenced in SI.

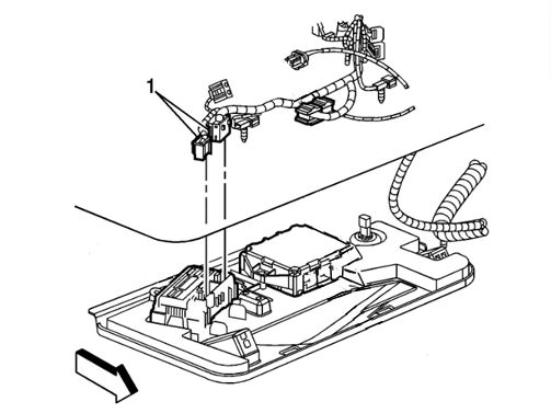
If replacement of the TCCM is needed, inspect the connectors (1) for corrosion. If corrosion or any signs of water are present, inspect the following areas as possible sources of the water:

1. Inspect the sunroof front glass seal and the glass panel fit to the roof panel. Ensure good compression between the seal and the roof flange. Refer to Sunroof Window Height and Opening Fit Adjustment in SI.
2. Inspect the right front sunroof drain hose for proper connections and routing, and ensure any water is flowing freely and not blocked by debris. Refer to Sunroof Drain Inspection and Cleaning in SI.
3. If necessary to remove/reinstall the right front sunroof drain hose grommet, add a tie strap on both the interface between the grommet to nozzle and the grommet to drain tube.

If any water intrusion is the primary customer concern and work is performed on the sunroof/drain hose, perform inspections for corrosion and/or water presence on the following:

1. The lower IP hush panel and area surrounding the TCCM
2. The TCCM module itself

Note
Apply dielectric lubricant to the connector terminals before reconnecting. Refer to the latest version of Corporate Bulletin Number 09-06-03-004 in SI for the proper procedure.

3. The TCCM J1 / J3 connectors (including plug-unplug of the connectors, and visual inspection of the pins)
4. Check for any TCCM DTCs set.

Warranty Information





For vehicles repaired under warranty, if a water leak was found to be the cause of the TCCM failure, use the appropriate sunroof labor operation listed below for the repair performed. If the TCCM is replaced for any other reason, use the TCCM replacement labor operation listed above.





Disclaimer