Curiosii for ever!
: Car repair manuals for everyone.
Home
>>
Cadillac
>>
2010
>>
STS RWD V8-4.6L
>>
Repair and Diagnosis
>>
Steering and Suspension
>>
Steering
>>
Power Steering
>>
Steering Control Module
>>
Service and Repair
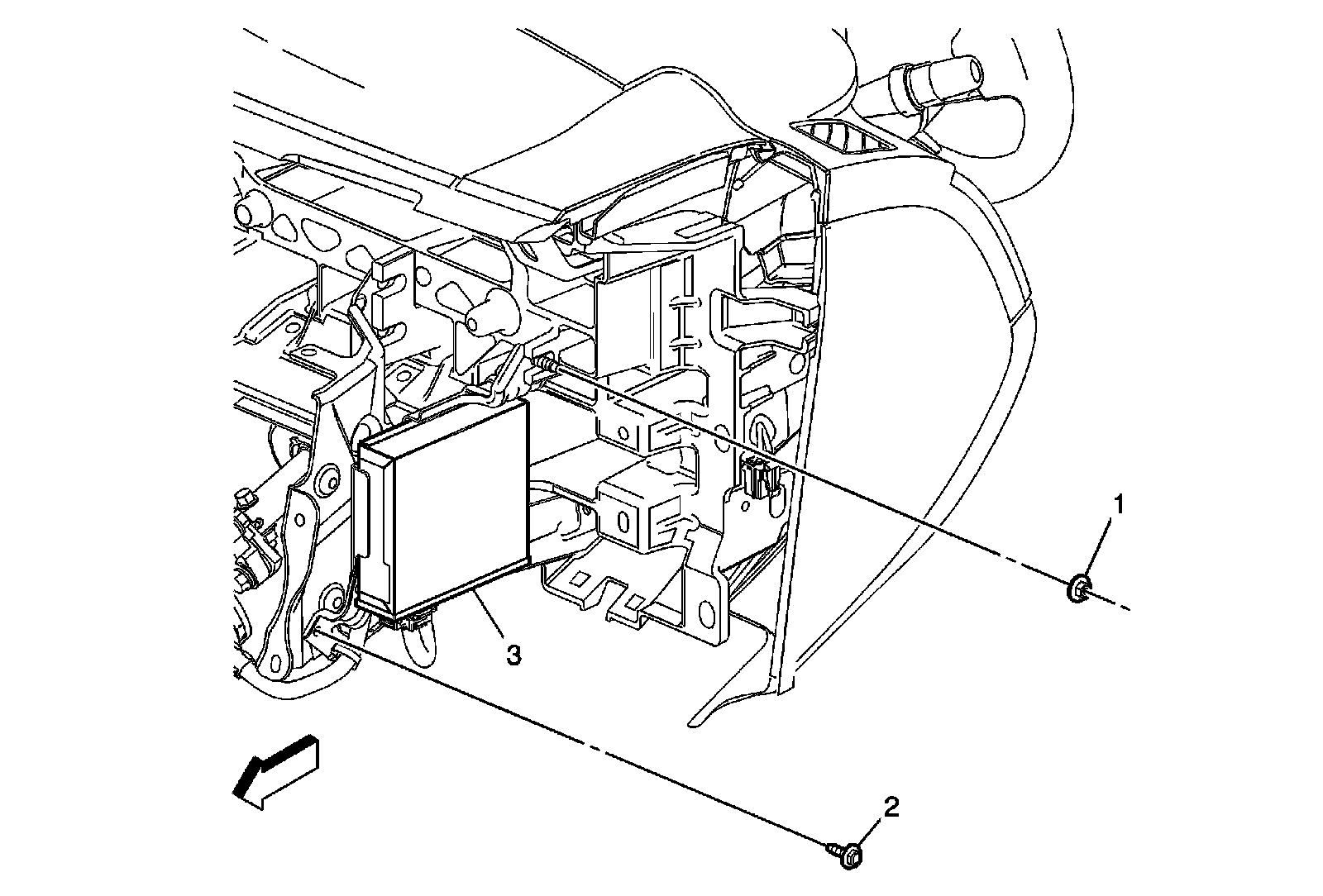
Steering Control Module: Service and Repair
Power Steering Control Module Replacement