Curiosii for ever!
: Car repair manuals for everyone.
Home
>>
Cadillac
>>
2010
>>
STS RWD V6-3.6L
>>
Repair and Diagnosis
>>
Power and Ground Distribution
>>
Diagrams
>>
Electrical Diagrams
>>
Power Moding Schematics
Power Moding Schematics
Power Moding Schematics
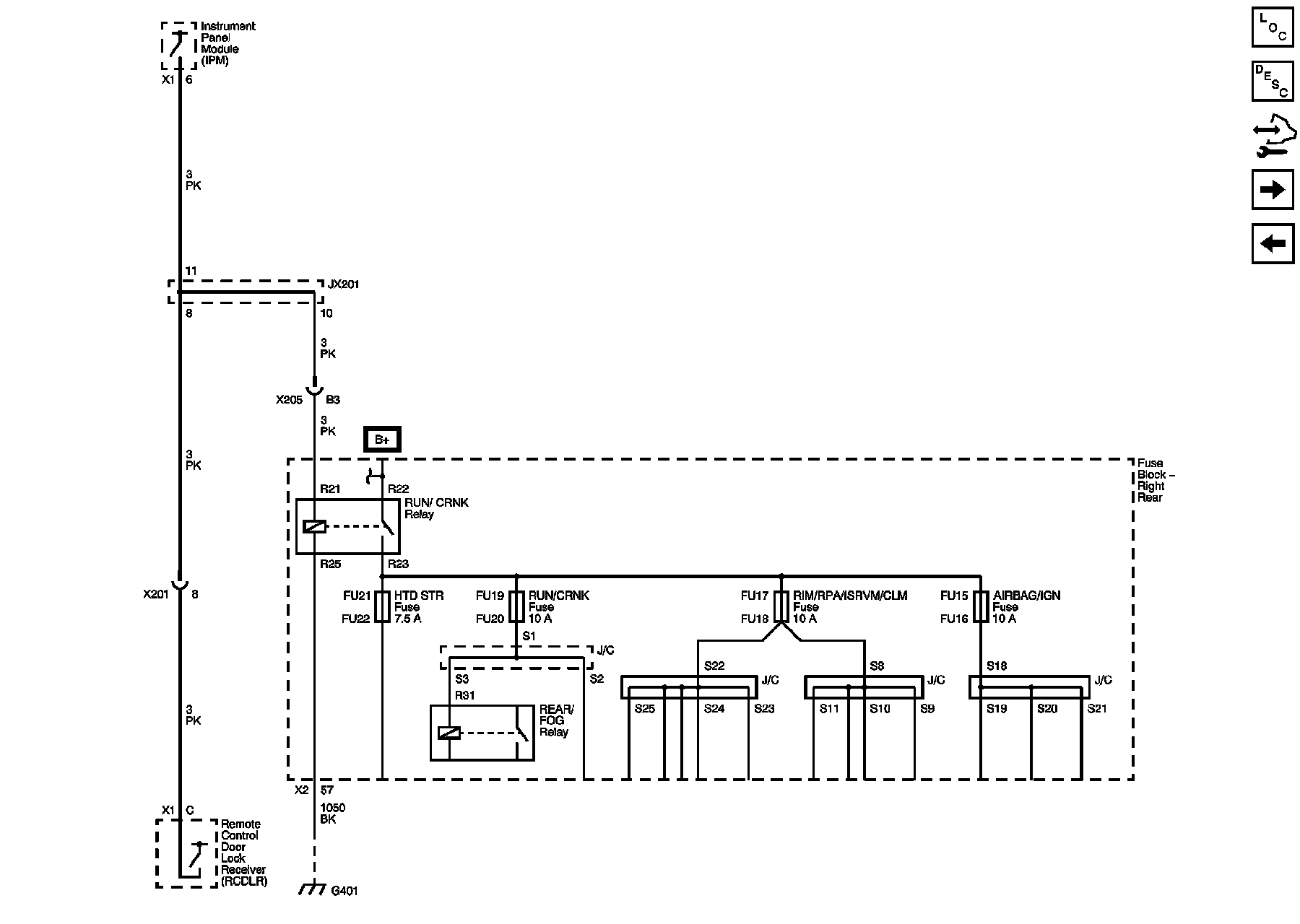
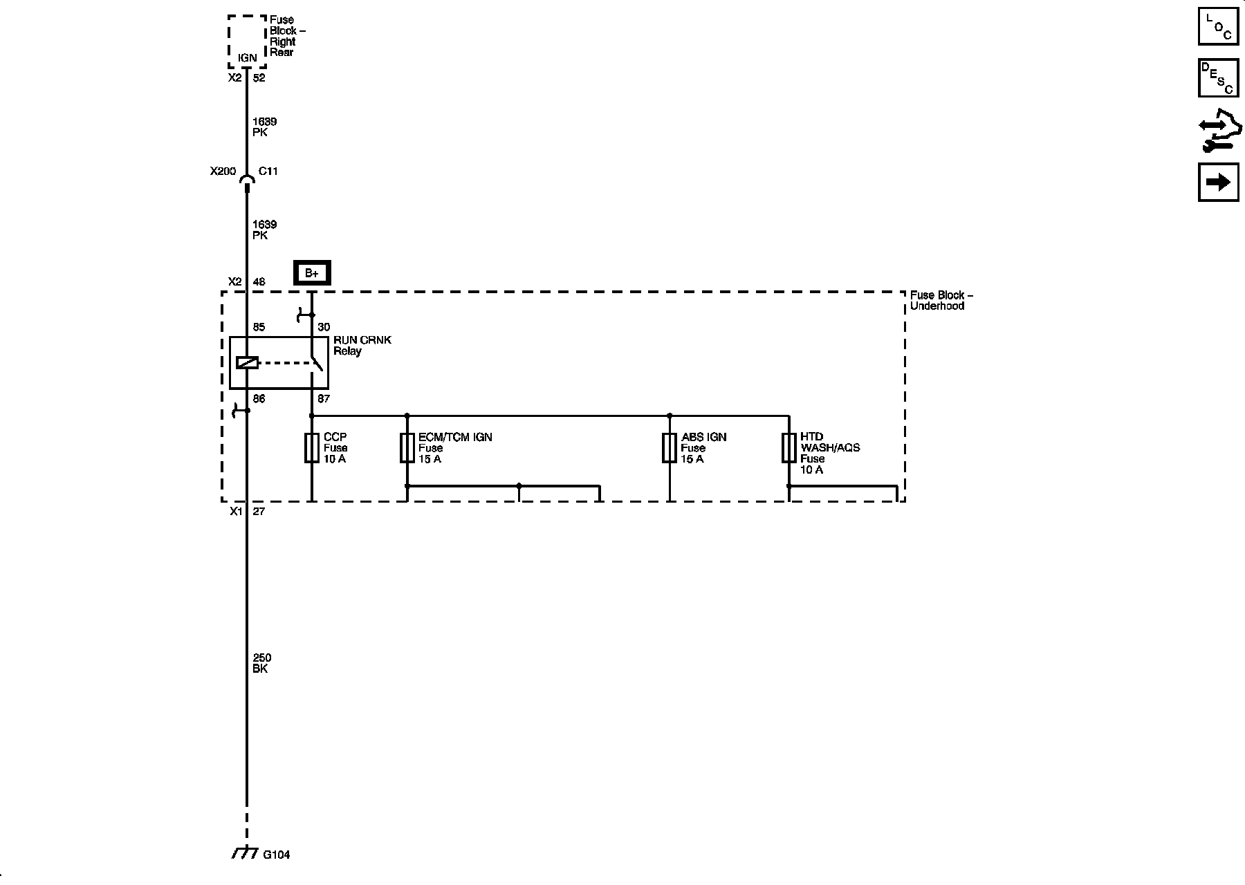
RUN/CRNK Relay (1 of 2)
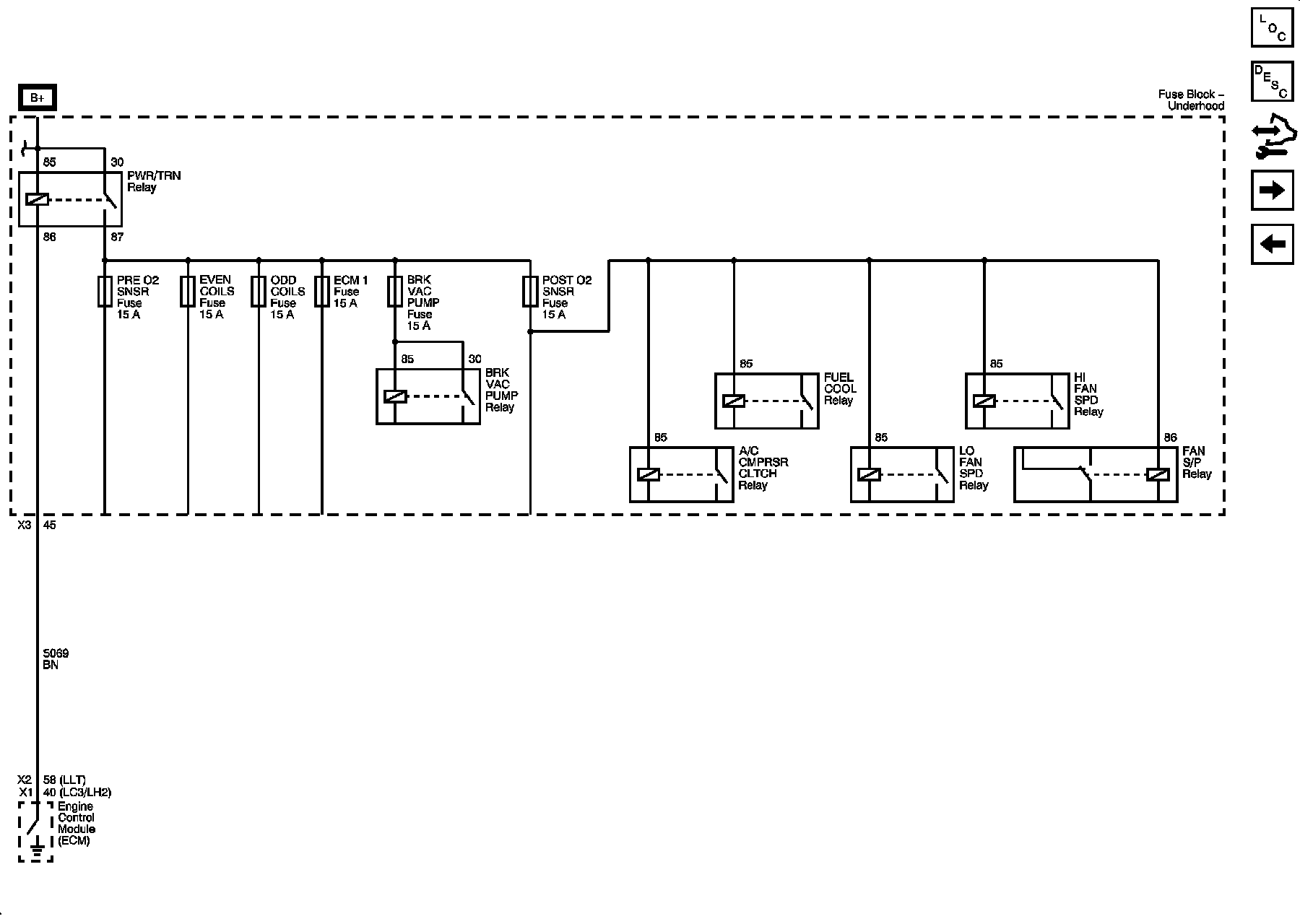
PWR/TRN Relay
RUN/CRNK Relay (2 of 2)
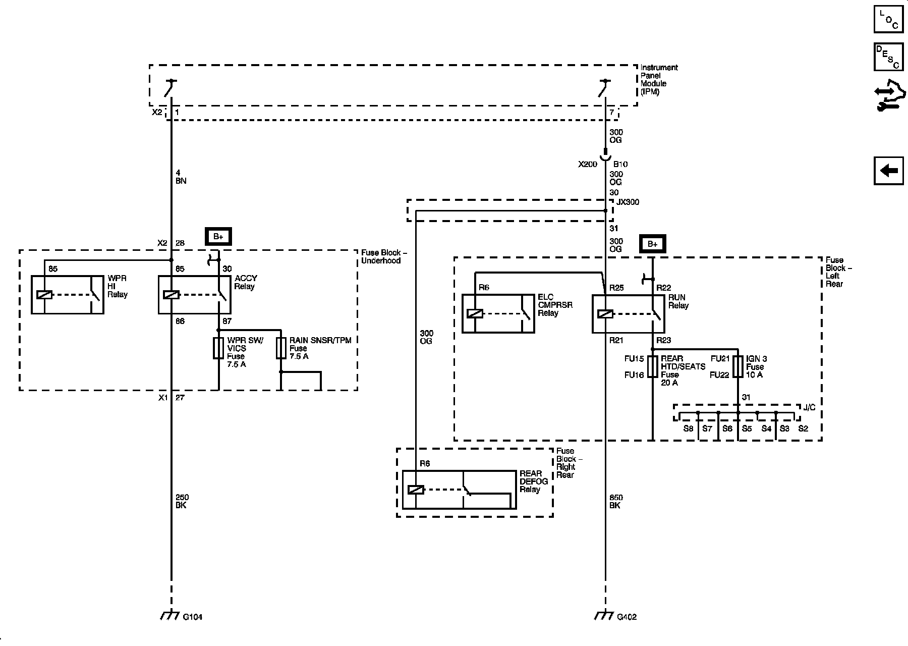
ACCY and RUN Relay