Curiosii for ever!
: Car repair manuals for everyone.
Home
>>
Cadillac
>>
2010
>>
STS AWD V8-4.6L
>>
Repair and Diagnosis
>>
Power and Ground Distribution
>>
Diagrams
>>
Electrical Diagrams
>>
Power Distribution Schematics
>>
Power Distribution Schematics 9
Power Distribution Schematics 9
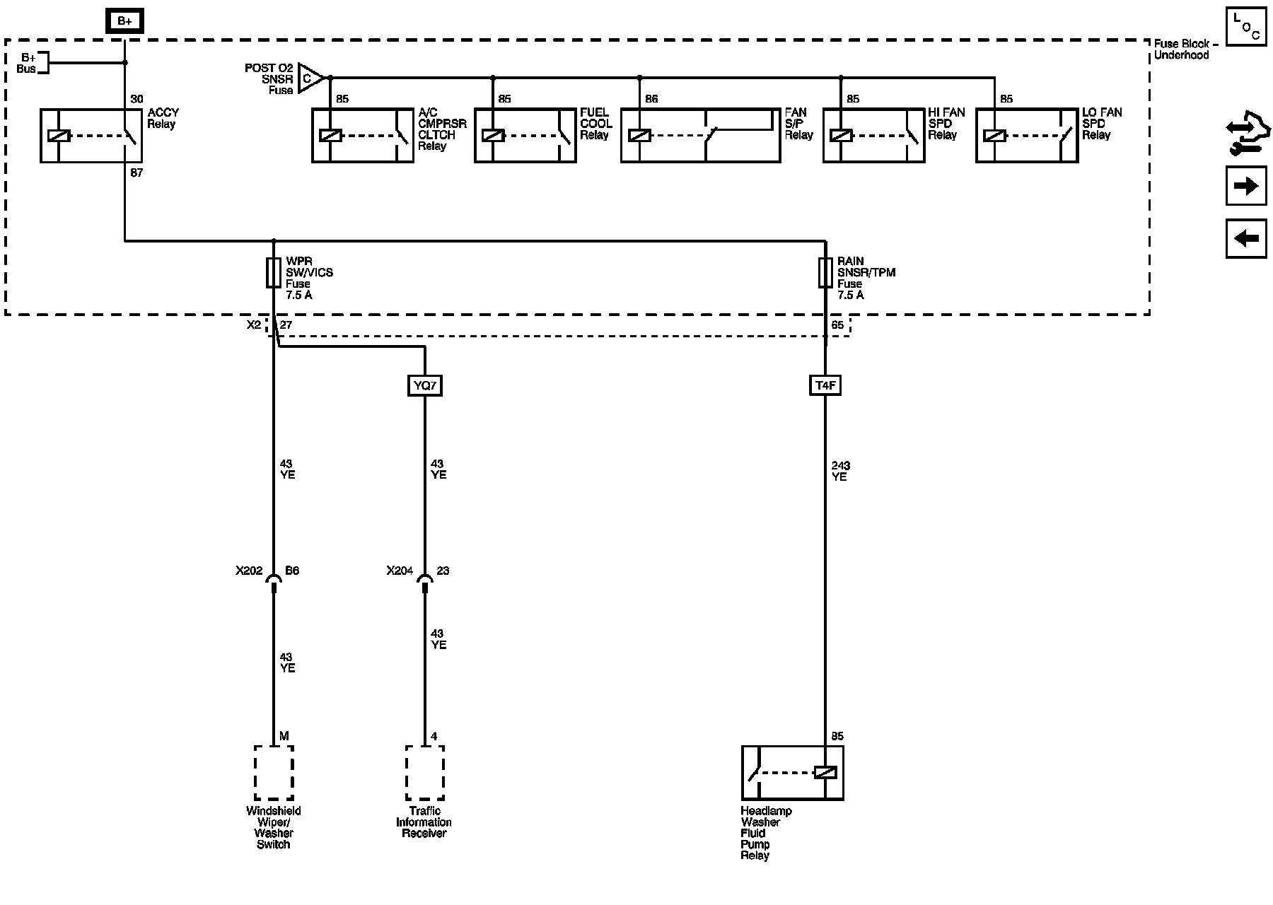
Power Distribution Schematics
A/C CLTCH, FAN 1, FAN 2, FUEL COOL, RAIN SNSR/TPM, and WPR SW/VICS Fuses