Curiosii for ever!
: Car repair manuals for everyone.
Home
>>
Cadillac
>>
2010
>>
STS AWD V8-4.6L
>>
Repair and Diagnosis
>>
Power and Ground Distribution
>>
Diagrams
>>
Electrical Diagrams
>>
Power Distribution Schematics
>>
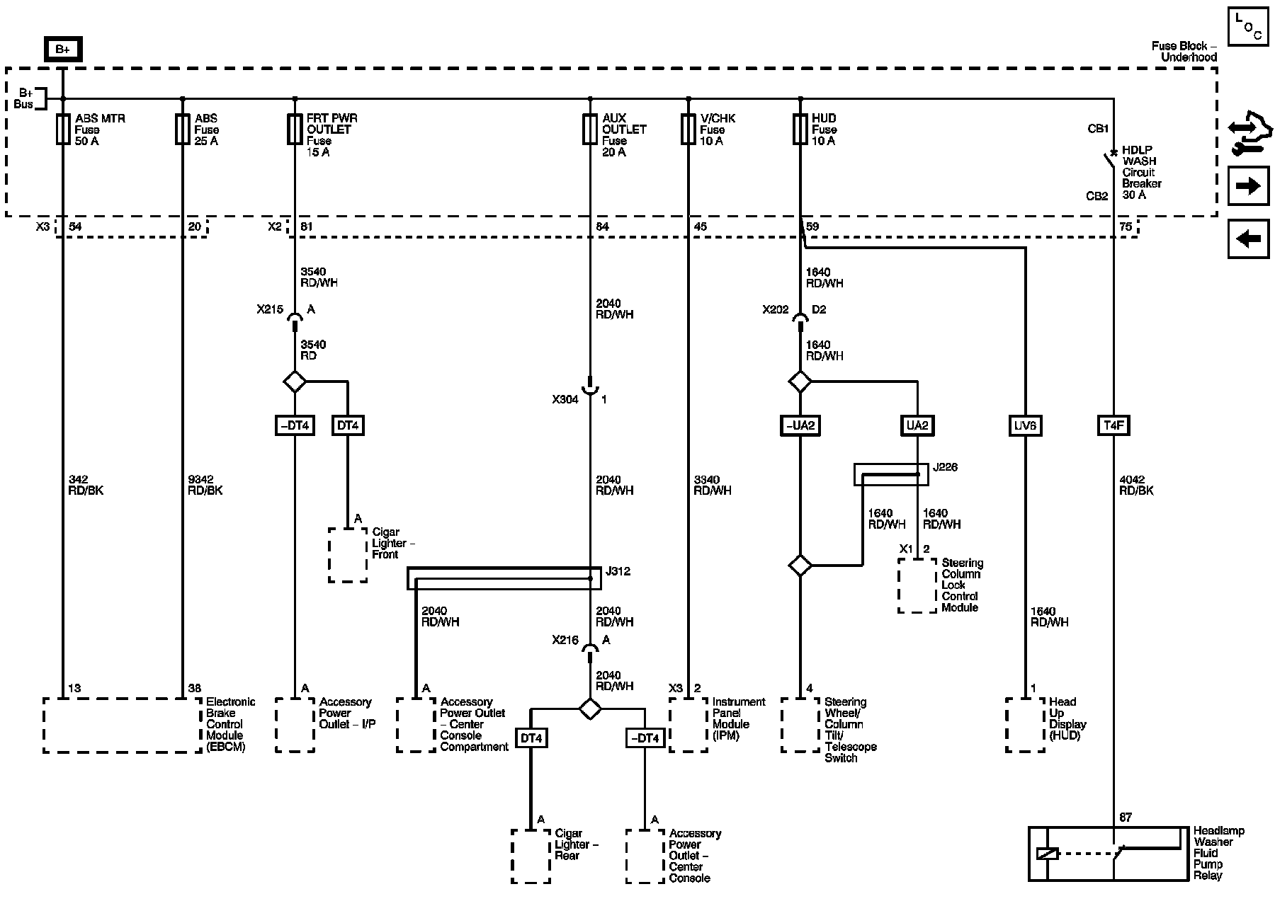
Power Distribution Schematics 3
Power Distribution Schematics 3
Power Distribution Schematics
ABS, ABS MTR, AUX OUTLET, FRT PWR OUTLET, HUD, and V/CHK Fuses, HDLP WASH Circuit Breaker