Curiosii for ever!: Car repair manuals for everyone.

System Diagram



Engine Controls Schematics

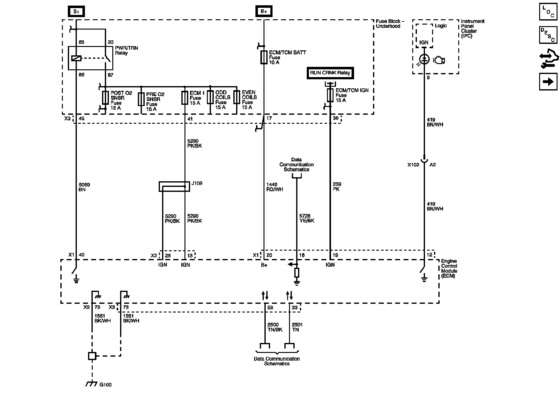
ECM Power, Ground, Serial Data, and MIL






Engine Data Sensors - 5-Volt and Low Reference (1 of 2)






Engine Data Sensors - 5-Volt and Low Reference 2 of 2






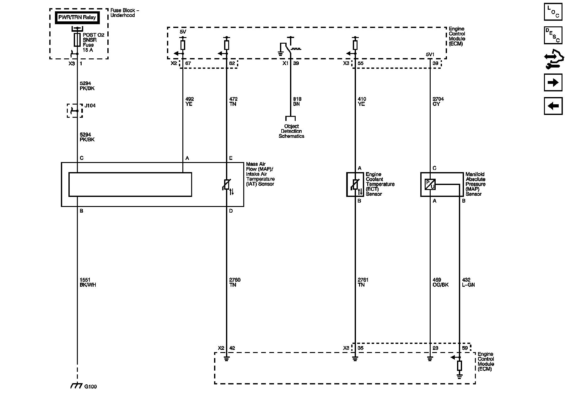
Engine Data Sensors - MAF, Pressure, Temperature






Engine Data Sensors - Oxygen Sensors






Engine Data Sensors - Electronic Throttle Controls






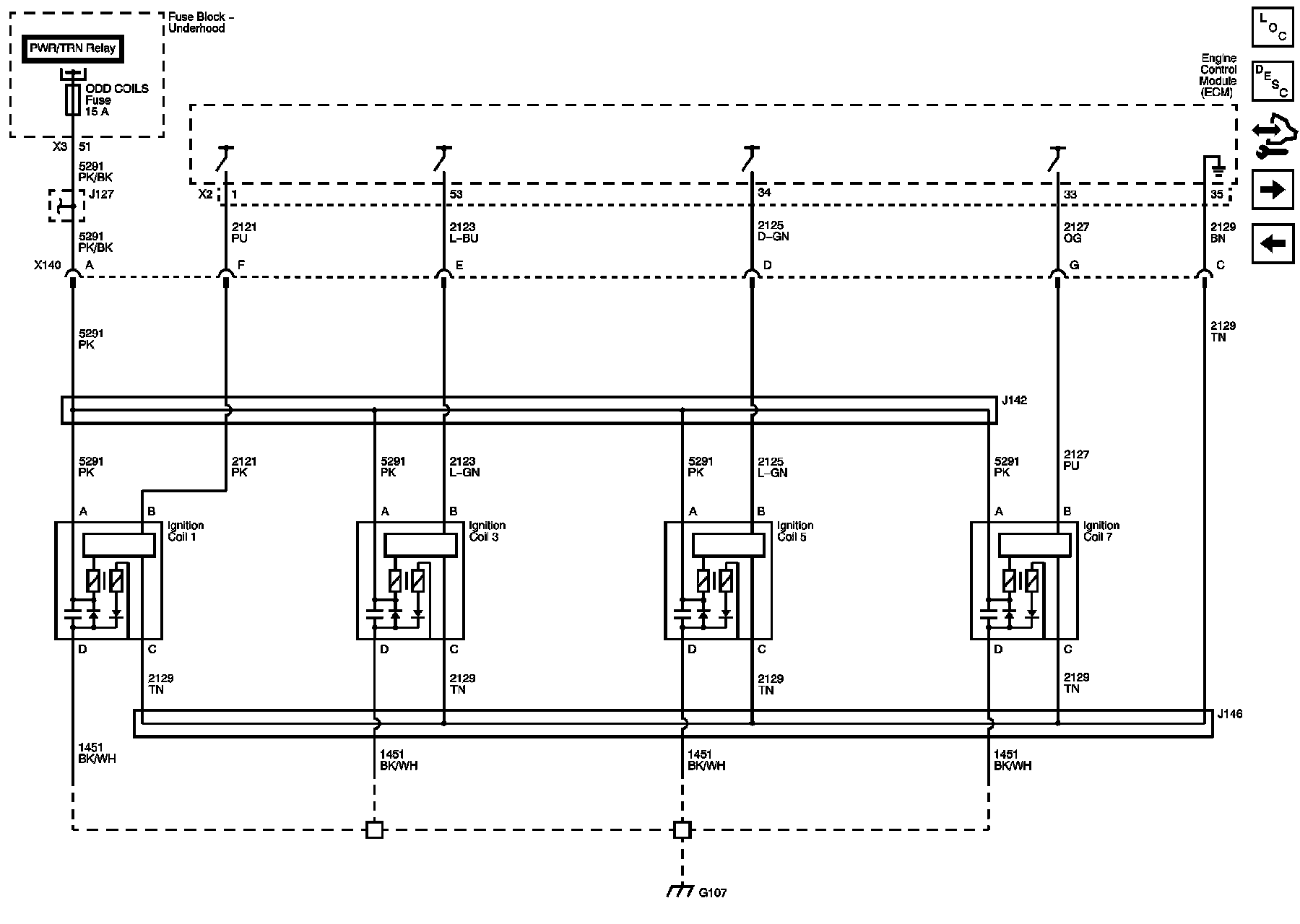
Ignition Controls - Ignition System Bank 1






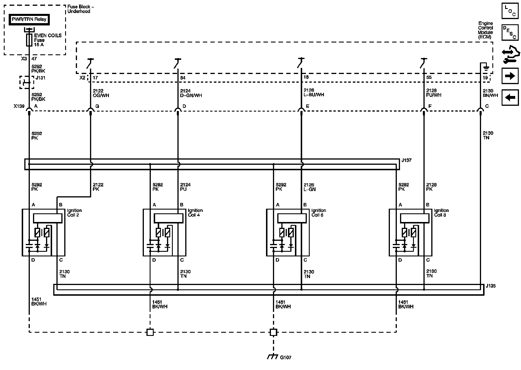
Ignition Controls - Ignition System Bank 2






Ignition Controls - CMP Sensors and Solenoids






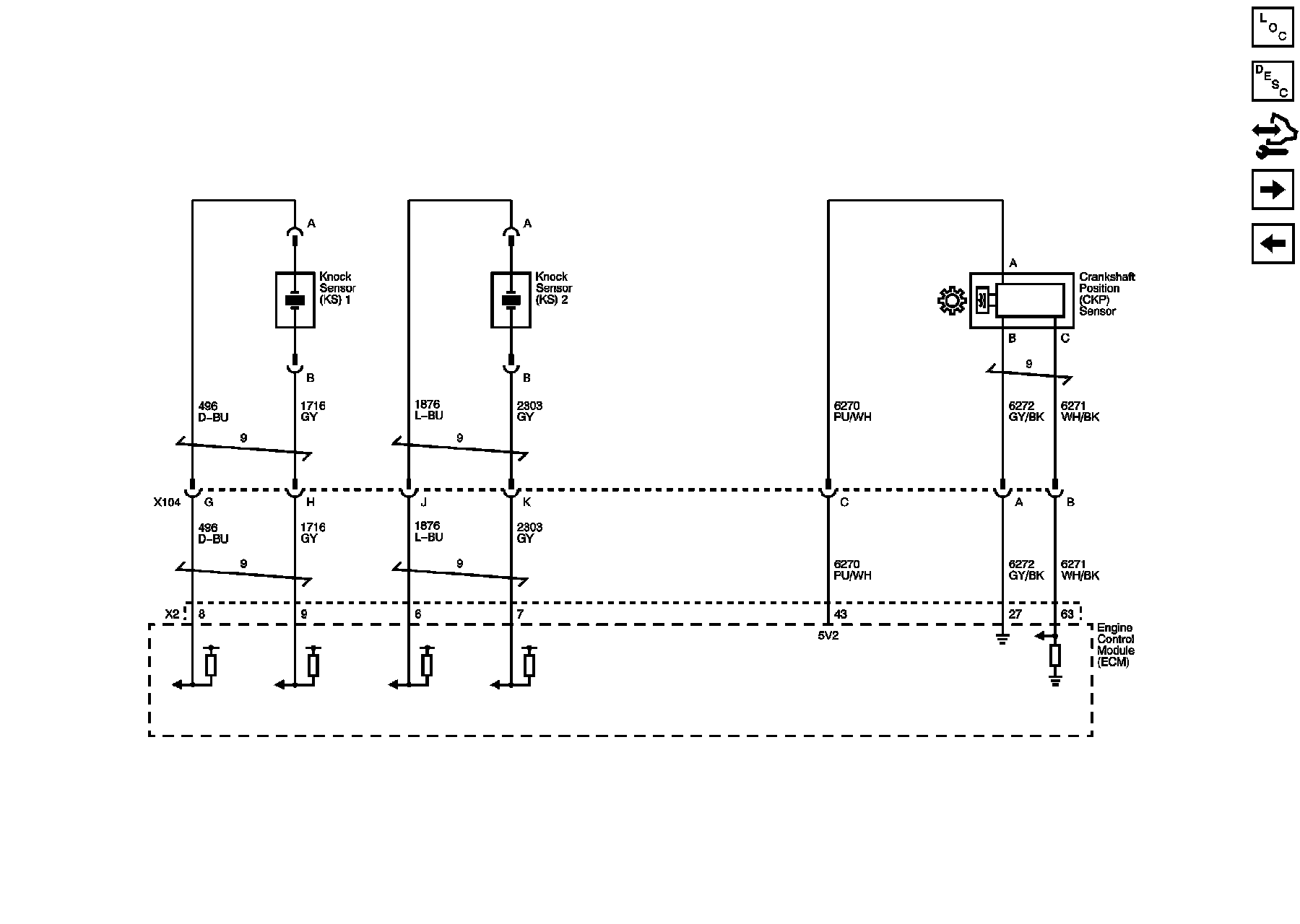
Crankshaft Position (CKP) Sensor and Knock Sensors






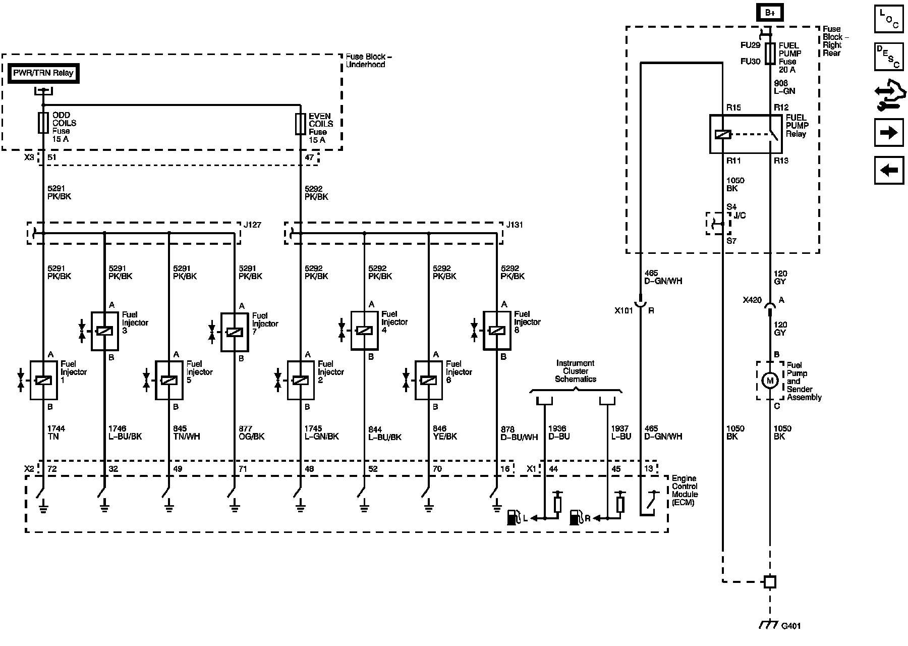
Fuel Controls - Injectors and Pump






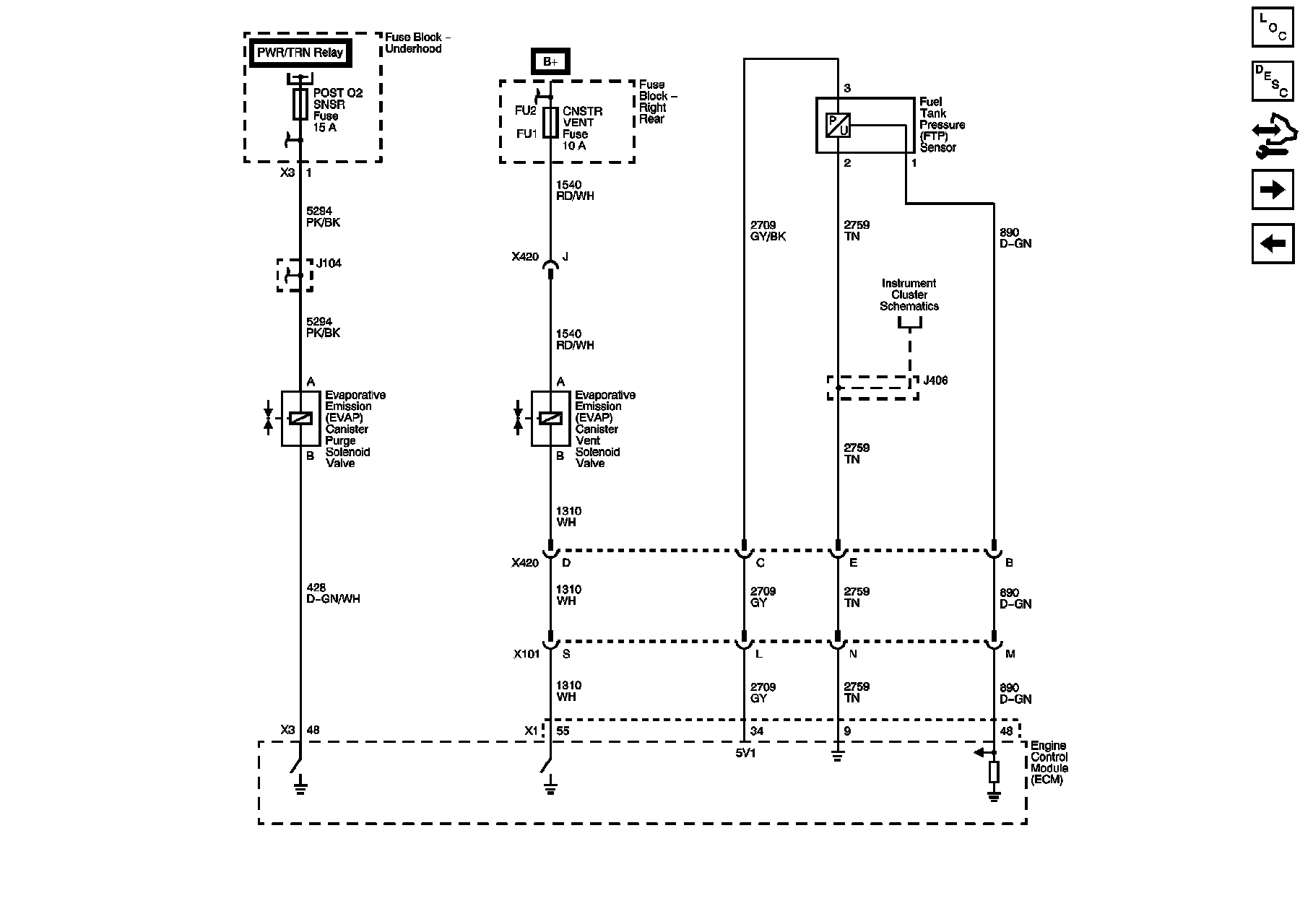
Fuel Controls - EVAP and Fuel Tank Pressure (FTP) Sensor






Controlled/Monitored Subsystem References