Curiosii for ever!
: Car repair manuals for everyone.
Home
>>
Cadillac
>>
2010
>>
STS AWD V8-4.6L
>>
Repair and Diagnosis
>>
Diagrams
>>
Electrical Diagrams
>>
Locks
>>
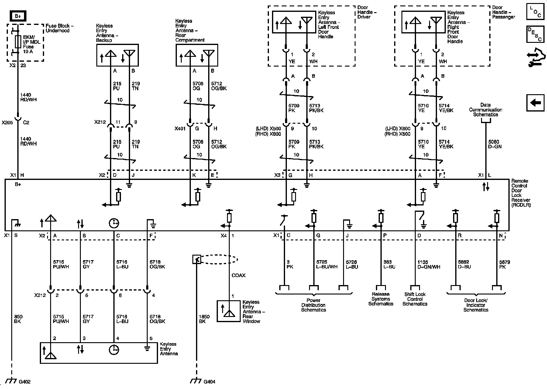
Keyless Entry Transmitter
Keyless Entry Transmitter
Remote Function Schematics
Garage Door Opener
Keyless Entry