Curiosii for ever!
: Car repair manuals for everyone.
Home
>>
Cadillac
>>
2010
>>
STS AWD V6-3.6L
>>
Repair and Diagnosis
>>
Starting and Charging
>>
Power and Ground Distribution
>>
Diagrams
>>
Electrical Diagrams
>>
Power Distribution Schematics
>>
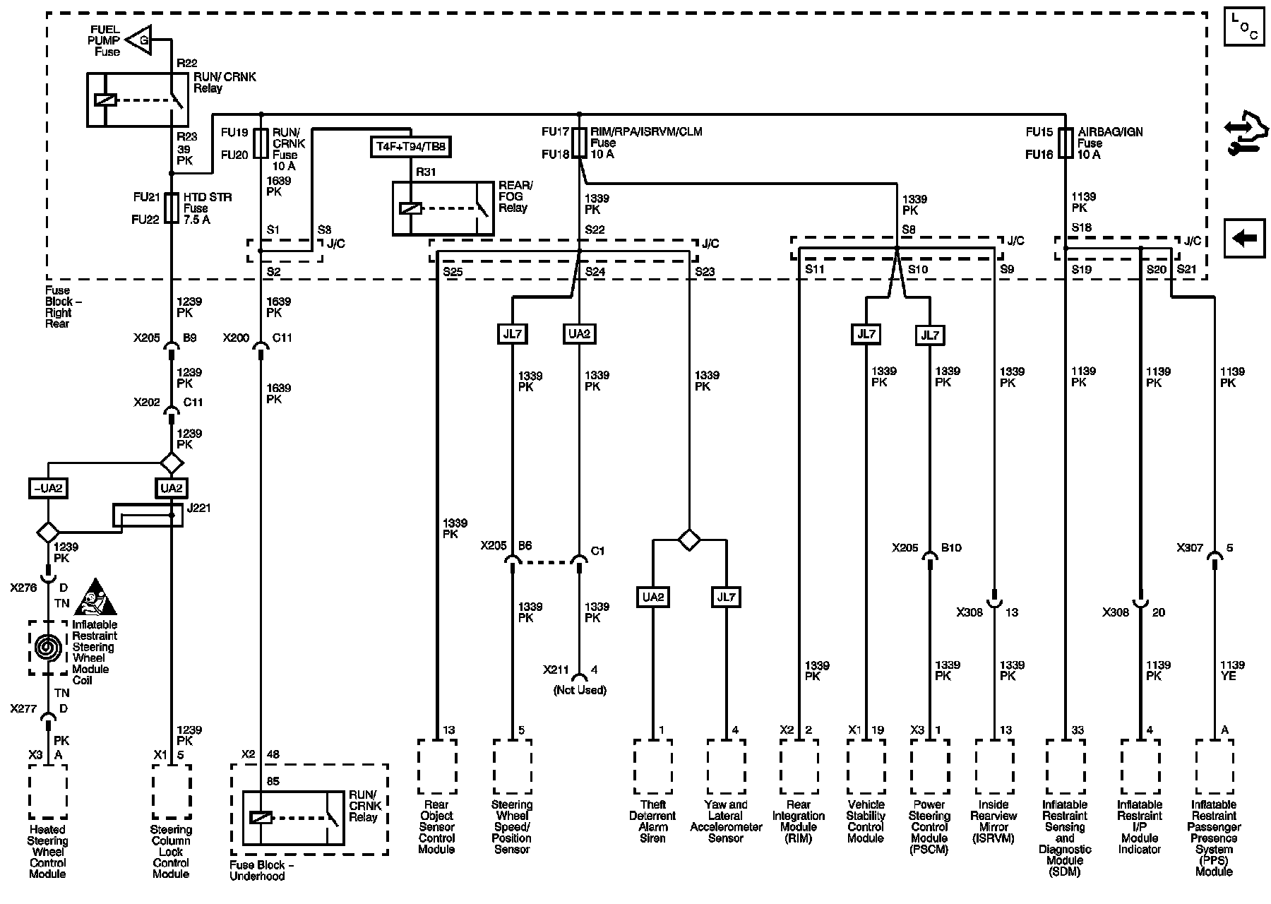
Power Distribution Schematics 18
Power Distribution Schematics 18
Power Distribution Schematics
AIRBAG/IGN, DIFF PUMP, FUEL PUMP, HTD STR, INT LAMP, RIM/RPA/ISRVM/CLM, and RUN/CRNK Fuses